| 當前位置:首頁->技術分享 |
|
| CS8630/CS8676/CS8623針對EMI輻射輸出電路,改善D類功放IC收音效果 |
|
|
| 文章來源:永阜康科技 更新時間:2019/7/9 18:07:00 |
在線咨詢: |
| |
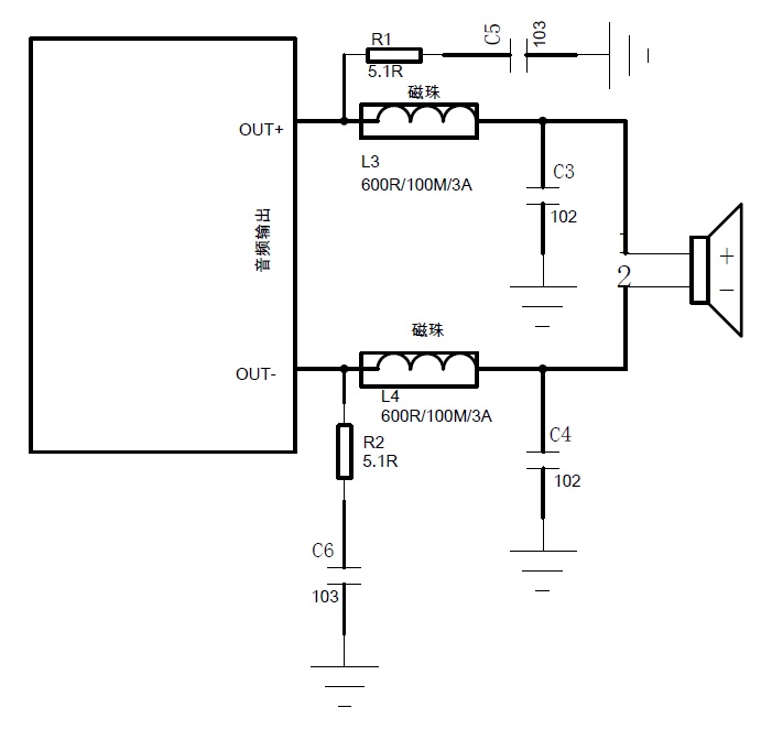
很多工程師在運用D類功放IC的過程中,收音干擾是個很頭疼的問題。根據上海智浦欣原廠的推薦,下圖對改善收音效果有很大的幫助,也在很多案例上得到成功驗證:

|
| |
|
|
|
|
|
| |
| |
| |
 |
您可能對以下產品感興趣 |
 |
|
 |
| 產品型號 |
功能介紹 |
兼容型號 |
封裝形式 |
工作電壓 |
備注 |
| HT3163 |
40W (VDD=18V, RL=4Ω, THD+N=10%) |
|
ESOP-10 |
4V-18V |
內置防破音功能、AB/D切換、40W單聲道功放IC |
| HT328 |
2X40W/24V/8Ω或80W/24V/4Ω |
AD52090/TPA3110 |
TSSOP-28 |
4.5V-26V |
免電感濾波2×30W D類立體聲音頻功放 |
| CS8673 |
2X42W/24V/8Ω或82W/24V/4Ω |
|
ESOP-16 |
5.0V-26V |
具備擴頻功能、低空載電流、免電感、2X40W立體聲、80W單聲道D類音頻功放IC |
| CS8623 |
32W/16V/4Ω |
CS8622 |
ESOP-16 |
5.7V-17V |
可使用單面PCB、免濾波、30W單聲道D類音頻功放IC,管腳兼容CS8622 |
|
| |
|
| |
|
|