|
當前位置:首頁->產品展示->功放IC->CS8673(具備擴頻功能、低空載電流、免電感、2X40W立體聲、80W單聲道D類音頻功放IC) |
|
|
| 產品名稱: |
CS8673(具備擴頻功能、低空載電流、免電感、2X40W立體聲、80W單聲道D類音頻功放IC) |
| 封裝形式: |
ESOP-16 |
| 兼容型號: |
|
| 產品功能: |
2X42W/24V/8Ω或82W/24V/4Ω |
產品規格書下載: CS8673.pdf |
|
| 在線客服: |
|
|
| 申請樣品: |
申請樣品 |
|
| |
| |
 |
詳細介紹 |
 |
|
 |
概述
CS8673E是-款2x40W立體聲 ;在單聲道使用的情況下;最高可輸出80W高效D類音頻功率放大電路。先進的EMIfD制技術使得在輸出端口采用廉價的鐵氧體磁珠濾波器就可以滿足EMC求。CS8673E音頻功率放大器是為需 輸出高質量音頻功率的系統設計的,采用表面貼裝技術,只需少量的外圍器件,便使系統具備高質量的音頻輸出功率。
CS8673E內置了過流保護,短路保護和過熱保護,有效的保護芯片在異常的工作條件下不被損壞。CS8673E可以驅動低至4Ω負載的揚聲器 ,最高可提供80W的連續功率;CS8673E具有高達92%的效率,使得在播放音樂的時候不需額外的散熱器。
CS8673E提供纖小的ESOP16封裝形式供客戶選擇,可以為客戶P省可觀的PCB面積,其額定的工作溫度范圍為-40℃至85℃。
描述
● 輸出功率@單通道
PO at 10% THD+N, VDD = 18V@RL = 4 Ω 43W
PO at 10% THD+N, VDD = 21V@RL = 4 Ω 60W
PO at 10% THD+N, VDD = 24V@RL = 4Ω 80W
● 輸出功率@立體聲
PO at 10% THD+N, VDD = 15V@RL = 4 Ω
PO at 10% THD+N, VDD = 21V@RL = 8 Ω
PO at 10% THD+N, VDD = 24V@RL = 8Ω
● 較大的電源電壓范圍5V~28V
● 固定24倍增益,集成15K輸入電阻,360K的反饋電阻
● 擴頻功能
● 音頻系統帶濾波網絡,待機電流小于20mA
● 免濾波功能
● 輸出管腳方便布線布局
● 良好短路保護和具備自動恢復功能的溫度保護
● 良好的失真和防噗聲功能
● 差分輸入
應用
LCD TV 家庭音響系統
管腳排列

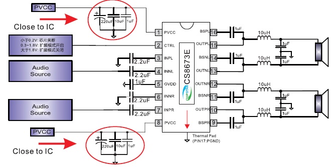
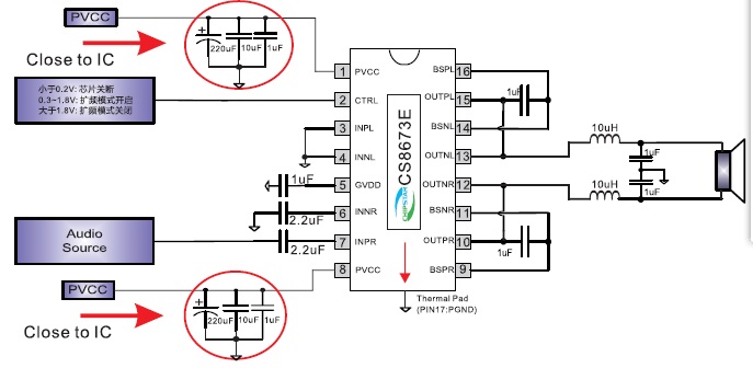
典型應用圖


單端輸入立體聲輸出典型應用圖

單端輸入PBTL單聲道輸出典型應用圖 |
|
| |
|
|
| |
| |
 |
您可能對以下產品感興趣 |
 |
|
 |
| 產品型號 |
功能介紹 |
封裝形式 |
工作電壓 |
備注 |
兼容型號 |
| ACM8629 |
2×50W,立體聲模式(4Ω, 24V, THD+N = 1%);100W,1×100W單聲道模式(2Ω, 24V, THD+N = 1%)
|
TSSOP-28(散熱片朝上,支持外接散熱器) |
4.5V-26.4V |
50W立體聲/100W單聲道、數字輸入音頻功放芯片,內置DSP多種音頻處理效果 |
|
| ACM3129 |
2×57W, 1% THD+N, 24V, 4Ω, BTL ;
1×110W, 1% THD+N, 24V, 2Ω, PBTL |
TSSOP-28(散熱片在背部,支持外接散熱器) |
4.5V-26.4V |
2×57W/110W高性能D類音頻功放,超低功耗、展頻功能、動態調整升壓Class H |
|
| ACM3108 |
2×25W, 1% THD+N, 16V, 4Ω, BTL ;
1×50W, 1% THD+N, 16V, 2Ω, PBTL
|
TSSOP-28 |
4.5V-16V |
動態調整升壓CLASS H功能、25W雙聲道/50W單聲道D類音頻功放IC |
AD52068/TPA3110 |
| ACM3128 |
2×32.5W, 1% THD+N, 24V, 8, BTL;
1×65W, 1% THD+N, 24V, 4, PBTL;
2×42W, 1% THD+N, 24V, 6, BTL;
1×84W, 1% THD+N, 24V, 3, PBTL;
2X48W, 1% THD+N, 22V, 4, BTL; |
TSSOP-28 |
4.5V-26.4V |
動態調整升壓CLASS H功能、40W立體聲/80W單聲道D類音頻功放IC |
AD52090/TPA3110 |
| ACM8615 |
21W, 單聲道輸出(8Ω, 20V, THD+N = 1%)
26W, 單聲道輸出 (8Ω, 20V, THD+N = 10%)
|
QFN-16 |
4.5V-21V |
內置DSP、I2S數字輸入20W單聲道D類音頻功放IC |
|
| ACM8625P |
2×33W, 立體聲輸出(6Ω, 21V, THD+N = 1%)
51W, 單聲道輸出 (8Ω, 21V, THD+N = 1%)
|
TSSOP-28 |
4.5V-21V |
I2S數字輸入33W立體聲D類音頻功放芯片、內置DSP小音量低頻增強等算法 |
ACM8622/ACM8625M/ACM8628 |
| ACM8622 |
2×14W, 立體聲輸出(4Ω, 12V, THD+N = 1%);
2×10.5W, 立體聲輸出 (6Ω, 12V, THD+N = 1%) |
TSSOP-28 |
4.5V-14.5V |
內置DSP音效處理算法、2×14W立體聲/ 1×23W單聲道、數字輸入D類音頻功放IC |
TAS5805/ACM8625/ACM8628 |
| ACM8625 |
2×26W, 立體聲輸出(8Ω, 22V, THD+N = 1%)
2×32W, 立體聲輸出 (8Ω, 22V, THD+N = 10%) |
TSSOP-28 |
4.5V-26.4V |
I2S數字輸入26W立體聲D類音頻功放芯片、內置DSP小音量低頻增強等算法 |
TAS5805/ACM8628/ACM8622 |
| ACM8628 |
2×41W、立體聲 (6Ω, 24V, THD+N = 1%) ;
2×33W, 立體聲 (4Ω, 18V, THD+N = 1%) ;
1×82W, 單通道 (3Ω, 24V, THD+N = 1%) |
TSSOP-28 |
4.5V-26.4V |
2×41W立體聲 /1×82W單通道數字輸入功放、內置DSP小音量低頻增強等算法 |
TAS5805/ACM8625/ACM8622 |
| HT366 |
2×22W(VDD=14V, RL=4Ω, THD+N=10%)或34W (VDD=16V, RL=4Ω, THD+N=10%) |
TSSOP-28 |
4.5V-16V |
具有防破音功能的免電感濾波2×20W D類立體聲音頻功放 |
TPA3110/AD52068/CS3817 |
| CS8685 |
2X75W/24V/4Ω或2X100W/28V/4Ω(峰值) |
EQB-32 |
5V-30V |
低空載電流、AM抑制功能、帶主從模式、80W立體聲大功率D類音頻功放IC |
|
| FS2105 |
2x30W @1%THD+N into 8Ω BTL at 24V |
TSSOP-28 |
4.5V-26.4V |
I2S數字輸入、集成EQ/DRC/音量控制2x30W立體聲D類音頻功放IC |
TAS5805 |
| HT81696 |
雙鋰電8.4V:2×30W/4歐(VOUT=16V, THD+N= 10%) 或雙鋰電8.4V:52W/3歐(VOUT=17V, THD+N= 10%) |
TSSOP-28 |
2.7V-17V |
內置升壓的30W立體聲D類音頻功放 |
HT81698 |
| CS8679 |
2X23W/15V/4Ω或33W/16V/4Ω(PBTL) |
EQA-16 |
5V-18V |
擴頻功能、低空載電流、40倍增益、免濾波、2X23W/33W(PBTL) D類音頻放大器 |
|
| CS8683 |
130W/30V/4Ω |
EQB-32(散熱片在頂部,支持外接散熱器) |
4.7V-45V |
130W單聲道D類功放IC,具有AM干擾抑制功能 |
|
| HT328 |
2X40W/24V/8Ω或80W/24V/4Ω |
TSSOP-28 |
4.5V-26V |
免電感濾波2×30W D類立體聲音頻功放 |
AD52090/TPA3110 |
| HT566 |
2×20W (VDD=14.5V, RL=4Ω, THD+N=1%) |
QFN-28 |
4.5V-16V |
I2S數字輸入20W立體聲無電感閉環D類音頻功放IC |
|
| HT368 |
2×20W (VDD=14.5V, RL=4Ω, THD+N=1%) 或2×25W (VDD=14.5V, RL=4Ω, THD+N=10%) |
TSSOP-28 |
4.5V-16V |
免電感濾波2*20W D類立體聲音頻功放 |
TPA3110/TPA3138/TPA3136/AD52068 |
| CS5038 |
輸入電壓范圍:3-16V,可調電壓輸出最高至22V/5A輸出
|
ESOP-16 |
3V-16V |
內置MOS,14A 高效率升壓DC-DC轉換器 |
|
| CS8316 |
PO at 10% THD+N, VIN=7.4V
RL=4Ω+22uH 21W(D MODE NCN OFF)
PO at 10% THD+N, VIN =7.4V
RL=3Ω+22uH 25W(D MODE NCN OFF)
|
TSSOP-24 |
5V-9V |
針對雙節鋰電池串聯供電應用,固定24倍增益,防破音,AB/D切換,功率限制,內置升壓模 塊,具備自適應升壓功能,恒定25W輸出功率R類單聲道音頻功率放大器 |
|
|
| |
|
| |
|
|
|
| |
業務洽談:
聯系人:張順平
手機:17727550196(微信同號)
QQ:3003262363
EMAIL:zsp2018@szczkjgs.com
聯系人:鄢先輝
手機:17727552449 (微信同號)
QQ:2850985542
EMAIL:yanxianhui@szczkjgs.com
負責人聯絡方式:
手機:13713728695(微信同號)
QQ:3003207580
EMAIL:panbo@szczkjgs.com
聯系人:潘波
|
|
 |
|
 |
|