拉桿音箱有多種功率等級,從數十瓦到數百瓦不等。影響拉桿音箱功率等級的因素有音量的大小,低音炮的功率等。舉例來說,一款20W的拉桿音箱,通常帶有一個5英寸的低音喇叭;而一款100W的拉桿音箱,通常帶有一個18英寸的低音喇叭。圖2所示為一款帶有屏幕的中高端拉桿音箱。

圖1. 拉桿音箱(基本款) 圖2. 拉桿音箱(帶屏幕)
為同時滿足便攜性需求并提供足夠的功率,拉桿音箱通常配備了12V鉛酸電池。對于30W以上的拉桿音箱,12V電池不足以給后級的音頻功放提供足夠的功率,需要升壓電路將電池電壓升壓至15V至48V以滿足不同功率需求。圖3所示為典型的拉桿音箱電源系統示意圖。

圖3. 拉桿音箱電源系統示意圖
升壓控制器LM5155在拉桿音箱中的應用
LM5155是德州儀器的全新一代升壓控制器, 在拉桿音箱的應用中具有以下優勢:
- 支持3.5-V 到45-V寬范圍輸入,適用于不同種類電池
- 內置1.5A的門極驅動電路,可驅動大電流MOSFET,適用于大功率音箱的設計。相比市面其他升壓方案,LM5155可顯著提升效率,降低功耗,從而延長拉桿音箱續航時間。
- 整體方案尺寸小,設計簡單,BOM成本低:
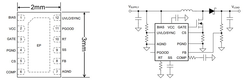
- 芯片采用小尺寸的WSON封裝,僅為3mm×2mm,如圖4所示。
- 支持高開關頻率 (100 kHz to 2.2 MHz),可有效減小外部電感電容的尺寸,降低成本。
- 工作頻率可編程, 同時提供外部時鐘同步, EMI設計更為靈活
- 支持可編程欠壓保護(UVLO)及軟起動,并具有完善的過壓、過流及熱保護,為整個系統提供多重保護。
圖5為LM5155的典型應用電路圖。

圖4. LM5155封裝示意圖 圖5. LM5155升壓應用電路圖
德州儀器音頻功率放大器在拉桿音箱中的應用
基于最新的半導體制造工藝以及豐富的音頻功率放大器設計經驗,德州儀器推出一系列D類功放產品,性能出色,性價比高,產品選擇多,可滿足不同功率等級拉桿音箱的需求。
功率等級 50 - 100W 200 - 600W
模擬輸入D類功放 TPA3128 TPA3126 TPA3220 TPS3221 TPA3251 TPA3255
數字輸入D類功放 TAS5825P TAS3251
在拉桿音箱應用中,D類功放的電源電壓 (PVDD) 通常由升壓型DC/DC變換器提供。與固定 PVDD 相比,基于音頻信號大小而調整的可變 PVDD 可顯著提高系統效率,降低損耗,減少發熱,延長電池續航時間。
TAS5825P為德州儀器2019年新推出的數字輸入D類功放芯片。該芯片內置強大的音頻 DSP 內核,實現了一種稱為 Hybrid-Pro 的專有算法。Hybrid-Pro算法可檢測即將發生的音頻功率需求,并通過反饋引腳 (HPFB) 為DC/DC變換器提供 PWM 控制信號來調整輸出電壓(即D類功放的電源電壓 PVDD)。TAS5825P支持高達 4ms 的延遲緩沖器 (Delay Buffer),以提前查看音頻信號并防止音頻削波失真。
圖6為使用LM5155 及TAS5825P實現的動態調壓的音頻功放解決方案TAS5825PEVM的系統框圖。如圖所示,音頻信號經Hybrid-Pro 算法處理后反饋給升壓控制器LM5155的反饋(FB)端,從而實現音頻信號的包絡檢測及控制LM5155輸出電壓。TAS5825P內置的延遲緩沖器 (Delay Buffer)可以將音樂信號延時輸入到功放部分,從而避免音頻輸出失真。從圖7的實驗波形可以看到,電源電壓PVDD會跟隨音頻輸入信號的包絡幅值進行調節,并且確保音頻輸出無失真。

圖6. TAS5825P實現動態調壓音頻功放的系統框圖

圖7. TAS5825P 實現實現動態調壓音頻功放的實驗波形
經實驗測試,7500mAh的單節鋰電池給2×20W的功放供電,若使用不帶動態調壓的D類功放,電池使用時間為2小時;若功放為帶Hybrid-Pro算法的TAS5825P,則電池使用時間可延長到6小時,續航時間是原來的3倍。對于大功率拉桿音箱,音樂動態范圍變化更大,省電效果尤為顯著。 |