常見的 DC-DC 轉換器問題是:在輸入電壓可能高于、低于或等于輸出時生成穩壓電壓,也就是說,轉換器必須執行升壓和降壓操作。從標稱 12 V 電池為汽車電子供電,就是一個典型場景,從引擎冷啟動(低至 3 V)到負載突降(高達 100 V),或者因為操作員出錯導致出現反向電池電壓(電壓變化范圍相當廣泛)。從 SEPIC 到 4 開關拓撲,有好幾種 DC-DC 轉換器拓撲可以執行升壓和降壓操作,但這些解決方案中沒有任何一個能夠在主動激活開關的情況,直接將輸入電壓輸入到輸出,現在依然是這樣。
LT8210 是一個同步降壓 - 升壓控制器,可以在直通(Pass-Thru™)模式下運行,幫助消除 EMI 和開關損耗,并且最大化效率(高達 99.9%)。當輸入電壓在用戶可編程窗口內時,直通功能直接將輸入傳遞到輸出端。LT8210 的輸入電壓范圍在 2.8 V 到 100 V 之間,所以它的穩壓范圍從冷啟動期間的最低輸入電壓,一直到未受抑制的負載突降的峰值幅度。LT8210 可以作為傳統的降壓 - 升壓控制器運行,支持引腳可選的連續導通模式(CCM)、脈沖跳躍或突發模式(Burst Mode®)運行,或者在直通模式中,輸出電壓可以根據編程窗口調節。當這個窗口中的輸入電壓在不主動開關 FET 的情況下被直接傳輸至輸出時,運行時 IQ 極低,且沒有開關噪聲。
直通操作模式
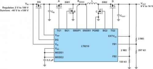
圖 1 顯示了簡化的 LT8210 示意圖,配置用于實施直通操作,輸出調節范圍為 8 V 至 16 V。直通窗口的頂部電壓和底部電壓分別由 FB2 和 FB1 電阻分壓器設置。
圖 2 顯示了此電路的輸入 / 輸出傳輸特性。當輸入電壓高于直通窗口時,LT8210 將其降低到穩定的 16 V 輸出。如果輸入電壓低于直通窗口,LT8210 會增大該電壓,并將輸出保持在 8 V。當輸入電壓在直通窗口范圍內時,頂部開關 A 和 D 保持開啟,使得輸出可以跟蹤輸入,且部件可以進入低功率狀態,VIN 和 VINP 引腳上的典型靜態電流分別為 4 µA 和 18 µA。在這種非開關狀態下,既不存在 EMI,也不存在開關損耗,因此效率可以達到 99.9%以上。

圖 1.LT8210 8 V 至 16 V 直通穩壓器電路。

圖 2. 在直通輸入電壓窗口中,直通操作效率可以達到 99.9%。

圖 3. 在直通模式下,LT8210 會快速響應 80 V 未抑制負載突降脈沖,將輸出限制在可編程的 16 V 最大值。

圖 4. 在直通模式下,LT8210 通過增壓至可編程的 8 V 最小輸出電壓來響應冷啟動脈沖(<4 V)。

圖 5. 直通區域的效率達到將近 100%(與持續導通模式下的效率相比)。

圖 6.LT8210 在直通區域內具有超低靜態電流。
結論
對于 DC-DC 轉換器設計人員來說,汽車電池和類似的寬電壓范圍電源都是較為復雜的問題,它們需要提供保護,且要求能夠高效進行降壓和升壓轉換。LT8210 同步降壓 - 升壓控制器將保護功能與輸入范圍廣泛的降壓 - 升壓轉換器和獨特的直通選項結合在一起,以消除這種復雜性。其工作電壓范圍在 2.8 V 和 100 V 之間,提供內置反向電壓保護。直通模式幫助消除開關損耗和噪聲,同時達到超低的靜態電流。在直通模式下,輸出電壓不會按傳統方式調節,而是受可編程的電壓窗口限制。
|