| 本文介紹電感式DC-DC的升壓器原理,屬于基礎性質,適合那些對電感特性不了解,但同時又對升壓電路感興趣的同學。
想要充分理解電感式升壓原理,就必須知道電感的特性,包括電磁轉換與磁儲能。
我們先來觀察下面的圖:

這個圖是電池對一個電感(線圈)通電,電感有一個特性---電磁轉換,電可以變成磁,磁也可以變回電。當通電瞬間,電會變為磁并以磁的形式儲存在電感內。而斷電瞬磁會變成電,從電感中釋放出來。
然而問題來了,斷電后,回路已經斷開,電流無處可以,磁如何轉換成電流呢?很簡單,電感兩端會出現高壓,如果電感線圈的自感系數很大,那么自感電動勢就會很大,在很大的電勢差之間的空隙,會產生很強的電場,甚至會擊穿空氣,發生放電現象。附近若有人,會對其造成一定危險,如果附近有易燃物質,就有發生著火的危險。
這樣,我們也理解了電感的第二個特性----升壓特性。當回路斷開時,電感內的能量會以高電壓的形式變換回電。
現在對以上的內容作一下小結:
下面是正壓發生器,你不停地扳動開關,從圖中節點處可以得到無窮高的正電壓。電壓到底升到多高,取決于你在二極管的另一端接了什么東西讓電流有處可去。如果什么也不接,電流就無處可去,于是電壓會升到足夠高,將開關擊穿,能量以熱的形式消耗掉。

然后是負壓發生器,你不停地扳動開關,從圖中節點處可以得到無窮高的負電壓。

上面說的都是理論,現在來點實際的電路,看看DC-DC升壓電路的最小系統到底是什么樣子。

你可以清楚看到演變,電路中把開關換成了三極管,用固定頻率的方波控制三極管的開關就能實現升壓。不要小看這兩個圖,事實上,所有開關電源都是由這兩個圖組合變換而來的。
最后說一下磁飽合問題。
我們已經知道電感可以儲存能量,將能量以磁場方式保存,但能存多少,存滿之后會發生什么情況呢?
最大磁通量,這個參數表示電感能存多少能量,根據這個參數你可以算出一個電感要提供n伏m安電流時必須工作于多高的頻率下。
存滿之后會如何?這就是磁飽合的問題。飽合之后,電感失去一切電感應有的特性,變成一純電阻,并以熱形式消耗掉能量。
電感家族
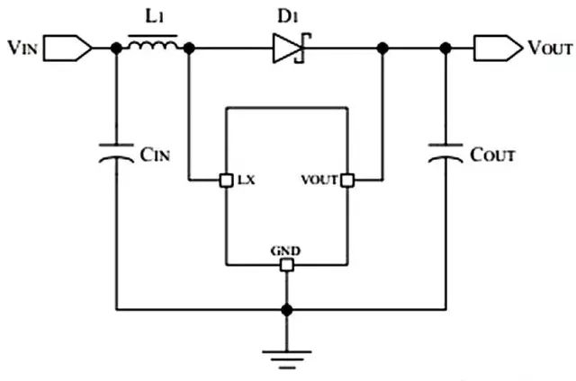
應用舉例: 升壓芯片E50U,E50D,E50P(PL2303)是一種高效率、低紋波的DC-DC 變換器,內置MOS開關管。PL2303系列產品僅需要4個外圍元器件,就可以將0.9V以上的電壓變換升壓到5V,經常用于電池供電的兒童玩具電路中。

典型升壓電路 由PL2303內部電路可知,這個VOUT腳的功能實際不是out,而是in,它檢測VOUT的電壓進行反饋。

PL2303的內部結構 電感的選擇: PL2303的工作頻率高達 300KHz,目的是為了能夠減小外部電感尺寸, 只需要 4.7uH 以上的電感就可以保證正常工作, 但是輸出端如果需要輸出大電流負載(例如:輸出電流大于 50mA),為了提高工作效率,建議使用較大電感。綜合考慮,建議使用47uH、 寄生串聯電阻小于 0.5Ω 的電感。如果需要提高大負載時的效率, 則需要使用更大電感值、更小寄生電阻值的電感。 用于整流的二極管對DC- DC 的效率影響很大,雖然普通的二極管也能使電路工作正常,但是會降低 5~10%的效率,所以建議使用正向導通電壓低、反應時間快的肖特基二極管,如 1N5817、1N5819、 1N5822 等。 只要電源穩定,即使沒有輸入濾波電容,電路也可以輸出低紋波、低噪聲的電流電壓。但是當電源距離 DC-DC電路較遠,建議在 DC-DC 的輸入端就近加上 10uF 以上的濾波電容,用于減小輸出噪聲。
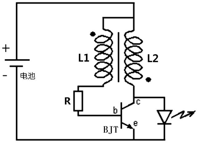
焦耳神偷電路是一個簡約的自激振蕩升壓電路,成本低、易制作。它可以榨干一節廢舊干電池上的所有能量,即使是那些在其它電路中已經被認為沒電的電池。在制作焦耳神偷電路時,一定要注意兩個電感的方向相反。

標準焦耳神偷電路 通常1.5V的干電池用完之后還會有1.1V左右的電壓,說明此時電池內還有能量,只不過內阻已經變的很大,輸出電流很微弱,已經無法驅動一般的電路,更無法點亮LED。而焦耳神偷電路可以通過磁感線圈產生高頻脈沖電壓,使LED導通,通過調整合適的參數,可以將電池電壓升高10-100倍以上。 焦耳神偷原理 1. 電流經L1流入BJT的基極,使BJT開始導通,集電極產生電流,集電極端的線圈L2產生變化磁通量,使基極線圈L1感應出電動勢,并正向加在BJT的基極上。 2. 基極電流由于加了電動勢而增大,使BJT集電極電流進一步增加,這個正反饋將持續,直到BJT飽和,基極電流的變化無法再引起集電極電流的變化。
3. 因為集電極電流不再變化,所以基極線圈L1不再產生更多的電動勢,基極電流開始減小。 4. 集電極線圈上的電流開始減小,儲存在磁芯上的能量開始崩潰,這在兩個線圈上都產生了與原來方向相反的電動勢,在基極線圈L1上,使BJT截止。集電極線圈L2上的感應電動勢被傳送給LED。要注意,此時L2感應出來的電動勢遠遠高于電源電壓,可以達到10到100倍以上。 5. LED導通后,電感開始放電,電流逐漸穩定,當小于LED導通電壓時,右邊支路斷路,電流重新從對左邊電感充電,如此反復。 下圖是用兩個色環電感構成的焦耳神偷電路。
注意圖中兩個電感的方向相反 一節紐扣電池,點亮10個串聯的LED。 |