系統工程中一個常見的問題是子系統,其主電源無法滿足其電源需求。在這種情況下,可用的供電軌不能直接使用,也不能直接使用電池電壓(如果有)。空間不足會阻止包含最佳數量的電池,否則放電電池的電壓下降可能不適用于該應用。
電壓轉換器可以產生所需的電壓電平,而電荷泵通常是要求低功耗,簡單和低成本相結合的應用的最佳選擇。電荷泵易于使用,因為它們不需要昂貴的電感器或其他半導體。
電荷泵–概述
電荷泵電壓轉換器使用陶瓷或電解電容器來存儲和傳輸能量。盡管電容器比其他類型的DC-DC轉換器中使用的線圈更普遍且更便宜,但電容器無法突然改變其電壓電平。不斷變化的電容器電壓始終遵循指數函數,這施加了電感式電壓轉換器可以避免的限制。然而,感應電壓轉換器更昂貴。
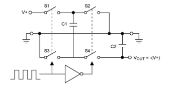
使用此原理的常見集成電路是ICL7660,有人認為它是經典電荷泵的原型。ICL7660集成了開關和振蕩器,因此開關S1,S3和S2,S4交替工作(圖1)。此處顯示的配置將輸入電壓反相。外部連接稍有變化,它也可以使輸入電壓加倍或分壓。

閉合S1和S3會在前半個周期將飛跨電容器C1充電至V +。在下半部分,S1和S3打開,S2和S4關閉。此動作將C1的正極連接到地,并將負極連接到VOUT。C1然后與儲能電容器C2并聯。如果C2兩端的電壓小于C1兩端,則電荷從C1流到C2,直到C2兩端的電壓達到-(V +)。
電容分壓器
考慮一種設計用于將輸入電壓除以2并使輸出電流加倍的電路。它具有優于線性穩壓器(通常將功率轉換為熱量)的優勢,并有益于需要有限輸出電流的應用。例如,一個4mA至20mA的接口通常會提供相對較高的輸出電壓,但會提供有限的預設輸出電流。其他應用包括許多運算放大器和微控制器,它們現在以非常低的電源電壓工作。在這些電路中,理論上將電源電壓除以2會將功耗除以4。

圖2的配置使用電容性分壓器C3,C4和C5,C6產生穩定的VOUT(= VIN / 2)。通過在該分壓器的上半部和下半部之間交替切換飛跨電容器C2,IC可抵消任何與負載有關的電壓差。該電路的開關頻率為35kHz,靜態電流僅為36µA。當負載電流超過1mA時,電路效率超過90%。然而,在很小的負載電流(即低于100µA)的情況下,即使如此低的36mA靜態電流也會降低轉換效率。與簡單的電阻分壓器相比,這種開關電容器配置既提供了更好的穩壓性能,又比從分壓器和運算放大器緩沖器的簡單組合獲得的效率更高。IC規范將VIN限制為最大5.5V。 |