與基于PC99的徽標程序相比,當前的Microsoft
Windows徽標程序版本3實現了新的音頻測試。通道間相位延遲是新的測試之一。通道間相位延遲測試立體聲轉換器左聲道和右聲道之間組延遲的差異,類似于AES17中描述的通道間相位響應測試。
端口的簡要概述
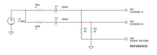
讓我們來看一個簡化的端口,圖1。典型系統中的放大器(CODEC或離散放大器)通過電容器耦合到負載。

測試設備已連接至被測系統。10K歐姆負載施加到線路電平端口的左右聲道,或者32歐姆負載施加到耳機端口的聲道。測試設備測量并比較左右聲道之間的相位,同時系統在兩個聲道上掃描相同幅度的音調。盡管階段通常以度為單位進行度量,但是Microsoft當前以毫秒為單位指定限制,因此在創建圖形時我們將轉換為毫秒。
簡化為等效電路以進行仿真
為了模擬電路,我們將用代表放大器輸出阻抗的電阻器代替放大器。出于我們的目的,我們無需對放大器的其他特性(例如THD或噪聲)建模。

如下圖3所示,該電路實現了一個高通濾波器。請注意,絕對相位在低頻時會快速變化。絕對相位與通道間相位測試無關,如果兩個通道使用相同的分量值,我們也不會擔心。但是,即使使用相同的值分量實現兩個通道,這些分量的容差也會在低頻下允許兩個通道之間的較大相位差。

為了突出這個問題,我們將模擬兩個通道。左通道將實現標稱電容值,右通道將跨過±5%的電容值范圍。在圖形中(圖4 –右電容值與left4的變化為+/-
5%),我們可以看到,如果兩個電容值相同,則通道間相位延遲可以為0,但如果20
Hz,則通道間相位延遲可以高達±175uS上限是其名義價值的5%。(如果一個電容帽具有最小允許值,而另一個電容帽具有最大允許值,則延遲會更糟。)為了確保我們達到通道間相位延遲的目標,必須為電容器選擇合適的值和容差。

|