在整個電子產品設計中,電源部分是整個產品正常運行發揮最佳性能的基礎。一個復雜的電源系統,會經過多種電壓之間的轉換,在我們初始設計時會比較關心輸入電壓范圍,輸出電壓值和輸出電流最大是多少,但是否只需要了解這些參數就夠了呢,顯然不是。
在模擬電路采樣中我們會比較關心電源輸出紋波和噪聲指標;在數字電路中并發式或突發式電流突變時電壓波動幅度的變化,我們又會關注瞬態響應指標;在低功耗手持設備中我們會關心靜態電流,轉換效率指標,進而要考慮功率耗散和溫升,TJ,封裝等一系列問題,甚至在一些復雜的系統中我們還會關注powergood,反接短路保護,EMI/EMC,上下電跟蹤及時序等。
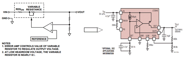
在芯片系列中有線性穩壓器(LDO)和開關電源(DC/DC)。LDO看似簡單,實際非常重要。例如,將負載與不干凈的電源隔離或者構建低噪聲電源來為敏感電路供電。LDO電路簡單,只能做降壓,低紋波噪聲,快速瞬態響應。
LDO關鍵性能參數
1. 最小壓差
即輸入與輸出之間能夠維持正常工作的最小壓差。VIN=VOUT+Vdropout。芯片的的設計工藝和結構不同,壓差不同;電流增加溫度升高壓降也會增大。

2. 輸入電壓
我們需要考慮輸入電壓的最高瞬態值和浪涌電壓來選,通常按照找2倍以上耐壓值取較安全。
3. 輸出電流
實際輸出能力與壓差和電流有關,手冊中給表示的理想狀態。實際的輸出能力和壓差及電流相關。大的輸出電流值散熱問題越嚴重,如果是大電流的應用盡量使用開關電源。

4. 熱阻參數
TJMAX:芯片內核正常工作的最高參數,該值越高內核耐熱性越好,其中ƟJA和ƟJC越小越好。
在使用中要確保芯片的內核溫度TJ不會超過芯片標定的正常運行最大結溫。元器件結溫計算:TJ=TA+θJA·PH。

5. 紋波/噪聲
PSRR衡量電路抑制電源輸入端出現的外來信號(噪聲和紋波),使這些干擾信號不至于破壞電路輸出的能力。在實際場景中越是低頻的噪聲越難抑制。在100 kHz 至 1 MHz 范圍內的電源抑制非常重要,因為 LDO 經常跟高效的開關電源配合使用來為敏感的模擬電路供電。

6. 瞬態響應
瞬態響應是指電流階躍變化時的輸出電壓變化。它與電容,控制環路的增益帶寬和負載電流變化的大小和速率有關。
它是電源穩定性很重要的參數,不合適可能會導致系統偶發復位等現象。

注意事項:LDO的輸出和輸入電容類型和值要選對,否則可能會出現穩定性問題。
LDO的結構趨勢
ADI 基于電流基準構架的LT3042、LT3045和LT3094系列產品在節省時間和成本的同時提高應用的性能。相比舊的構架極大的改善了電壓調節能力和瞬態響應。它們的噪聲和PSRR性能不受輸出電壓的影響。
此外,多個器件可以直接并聯,以進一步降低輸出噪聲,增加輸出電流,并可在PCB上散熱。


LDO 看似簡單實則非常重要,想要運用LDO的最佳性能,需要綜合考慮多種因素。工程師需要了解基本術語后,有效地使用數據手冊信息來確定對于設計而言最為重要的參數。 |