作者:Bill Schweber
即便在發展日新月異的科技領域,也有一些根深蒂固的“傳統智慧”和臆斷,盡管經歷了科技迅猛進步的洗禮,但仍舊抗拒改變。我偶爾還會聽到老一輩人說,延長充電電池壽命的方式是將電量完全耗盡,然后再進行充電。對于傳統的鎘鎳 (NiCad) 化學材料,可能的確如此,但對于今天的鋰電池而言,這可能是絕對錯誤的,實際上還會對電池壽命產生不利影響。
對于降壓 DC-DC 開關穩壓器,同樣也存在一些錯誤觀念,特別是那些設計在較高輸入電壓(數十伏特)下工作并提供較大電流(高達 10 A 左右)的穩壓器。固有觀念是低壓差穩壓器 (LDO) 采用線性非開關拓撲結構,幾乎沒有噪聲,但效率非常低。相反,開關穩壓器(轉換開關)相對噪聲較大,但效率非常高。
用戶對轉換開關的擔憂不僅限于臆斷存在的噪聲。雖然它們的效率很高(在“甜區”負載下工作時,效率高于 85%),但通常存在三個缺點:
1:它們會產生電噪聲,這種噪聲主要(但非全部)在其開關頻率下和諧波中出現。
2:它們的瞬態響應較差,易于出現不穩定和振蕩,除非針對應用對其閉環響應進行仔細調節。
3:高功率開關穩壓器需要外部 MOSFET,并用作開關器件控制器,而不是帶有內部 MOSFET 的穩壓器,因而需要更多的元器件和板空間。
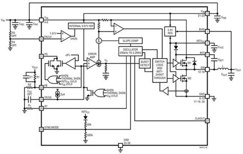
但是,隨著最近的技術進步和創新拓撲結構的問世,這種情況已經改變,LT8645S、LT8646S 和 LT8645S-2 就證明了這一點。這三款相似的 65 V 單片 Silent Switcher 同步降壓穩壓器來自于 Analog Devices,每款穩壓器都能夠支持 8 A 輸出(圖 1)。

圖 1:Silent Switcher 降壓穩壓器的方框圖展示了它們的復雜度,但無法顯示用于實現重大性能改進的技術細節。(圖片來源:Analog Devices)
上述三款器件之間存在一些細微但明顯的差異,讓用戶能夠選擇最符合他們應用需求的特定配置(圖 2)。

圖 2:這三款開關穩壓器非常相似,但存在一些細微的配置差異,這些差異可能對于特定應用至關重要。(圖片來源:Analog Devices)
我們首先談一下噪聲,因為對于開關穩壓器而言,用戶通常最擔心的就是噪聲問題。毋庸置疑,優質的低壓差穩壓器 (LDO) 確立了低噪聲輸出的標準,但上述幾款先進的開關穩壓器已經非常接近它們的噪聲水平。
為什么要擔心噪聲呢?
穩壓器輸出噪聲對系統性能的不利影響表現在以下幾個方面:
· 可能影響負載 IC 的性能一致性和可靠性,尤其是在較低電軌電壓供電、電源裕量非常小的情況下。
· 影響最終能夠達到的性能水平,因為它會降低模擬信號精度,例如在傳感器前端。
· 輸出軌噪聲可能是輻射和傳導電磁干擾 (EMI) 的來源。輻射噪聲尤其令人擔憂,因為它可能導致最終產品無法滿足眾多應用特定要求中的一項或多項,例如廣泛使用的 CISPR 25 輻射 EMI 測試。
無需擔憂
就設計而言,Analog Devices 的 Silent Switcher 架構可以確保實現低噪聲,從而獲得優良的 EMI 性能。另外,作為單片器件,其性能不易受到印刷電路板(PC 板)布局的影響,因而可以消除元器件和布局引起的 EMI,這是設計時所要考慮的問題。
Silent Switcher 穩壓器是如何做到這一點的?設計人員研究了時鐘和其他噪聲源的每一種表現方式,然后設計了各種方法加以克服。噪聲的兩個主要來源是開關架構固有的所謂“熱回路”,以及走線電感和瞬時振蕩。
為了抑制熱回路,Silent Switcher 設計將熱回路分為兩個均衡回路,使得它們的電流可以有效地相互抵消。為了解決走線電感問題,在芯片上集成旁路電容器,避免與印刷電路板走線電感和瞬時振蕩有關的問題,同時通過消除外部元器件及其貼裝的可變性確保性能。這種做法讓輻射放射性能能夠輕松達到 CISPR 25 標準限值(圖 3)。

圖 3:由于消除熱回路問題及增加集成旁路電容器等改進措施,Silent Switcher 穩壓器的輻射遠遠低于法定最大值。(圖片來源:Analog Devices)
值得注意的是,這些器件的傳導噪聲也非常低,但這方面的法規限制不太嚴格。此外,使用鐵氧體磁珠更容易降低傳導噪聲,而輻射噪聲更難衰減,甚至可能需要昂貴和復雜的屏蔽措施。
這些開關穩壓器的設計還能夠改進瞬態響應。它們提供清晰、精密的調節(盡管負載變化),并可在各種不同工作條件下保持回路穩定性(圖 4)。為了增加靈活性,LT8646S 器件還允許外部電阻-電容器 (RC) 補償,讓設計人員能夠優化瞬態響應。

圖 4:Silent Switcher 穩壓器的設計還可產生快速、精確、一致的瞬態響應,即便在負載變化的情況下,也能提供穩定可靠的直流輸出軌。(圖片來源:Analog Devices)
最后,集成高功率 MOSFET 還帶來諸多優勢:
· 由于減少了 MOSFET 的印刷電路板走線,噪聲得以降低。
· 提供一致的輸入電源到輸出軌性能,達到在規格書上規定的性能標準。
· 整體外形尺寸更。8-A 穩壓器采用 6 mm × 4 mm LQFN 封裝,整個電路僅需少量無源元器件(圖 5)。

圖 5:基于 LT8645S-2(或該系列的其他元器件)的完整電源穩壓器子系統外形緊湊且節省物料。(圖片來源:Analog Devices)
最后還有一個非常重要的問題:在使用這些高壓、大電流的 Silent Switcher 穩壓器時,是否要在效率方面做出一定妥協或犧牲?畢竟,高效率是用戶使用轉換開關而非線性電源的最主要原因。
答案非常簡單:這些器件的效率與更高噪聲器件的效率處于同一區間(圖 6)。在負載電流為 1 A 至最高 8A 的范圍內,器件的效率在約 90% 至 96% 之間,其中 2 A 至 4 A 范圍是“甜區”。

圖 6:除電流輸出值范圍的最高端和最低端外,8 A Silent Switcher 穩壓器的效率保持在 95% 左右。(圖片來源:Analog Devices)
結語
開關穩壓器具有高效率的重要優點,但它們也可能會產生多余的輻射噪聲,對于電路、系統和法規要求來說,需要避免這些多余的噪聲。Analog Devices 提供的 Silent Switcher DC-DC 穩壓器采用創新的架構,克服了傳統開關穩壓器的諸多缺點,而不影響預期性能。 |