NDP2XXX系列:通用降壓型DC-DC芯片,輸入電壓最高 可達80V,單芯片支持最大電流18A,控制器支持最大 電流30A,適用于各類中高壓、大電流功率轉換場景。
|
Part NO
|
VIN
(V)
|
IOUT max
|
VOUT
|
Frequency MAX
|
Package
|
Architecture
|
Status
|
|
MIN
|
MAX
|
(A)
|
(V)
|
(KHz)
|
|
NDP2331KC
|
5.5
|
30
|
3
|
ADJ
|
300
|
SOP-8
|
P+N
|
ACTIVE
|
|
NDP2345KC
|
5.5
|
30
|
4.5
|
ADJ.
|
300
|
SOP-8
|
P+N
|
ACTIVE
|
|
NDP2355KC
|
5.5
|
30
|
5.5
|
ADJ.
|
300
|
SOP-8
|
P+N
|
ACTIVE
|
|
NDP2435KC
|
5.5
|
40
|
3.5
|
ADJ.
|
300
|
SOP-8
|
P+N
|
ACTIVE
|
|
NDP2450KC
|
5.5
|
40
|
5
|
ADJ.
|
300
|
SOP-8
|
P+N
|
ACTIVE
|
|
NDP23301KC
|
4.6
|
30
|
3
|
ADJ.
|
420
|
SOP-8
|
P+N
|
ACTIVE
|
|
NDP23501KC
|
4.6
|
30
|
5
|
ADJ.
|
420
|
SOP-8
|
P+N
|
ACTIVE
|
|
NDP24501KC
|
4.6
|
37
|
5
|
ADJ.
|
420
|
SOP-8
|
P+N
|
ACTIVE
|
|
NDP24501QB
|
4.6
|
37
|
5
|
ADJ.
|
420
|
QFN5*5-20
|
P+N
|
ACTIVE
|
|
NDP24301KC
|
4.6
|
37
|
3
|
ADJ.
|
420
|
SOP-8
|
P+N
|
2023Q1
|
|
NDP23A5QB
|
7
|
30
|
15
|
ADJ.
|
330
|
QFN5*5-20
|
N+N
|
ACTIVE
|
|
NDP23B0QB
|
7
|
30
|
15
|
ADJ.
|
300
|
QFN5*5-20
|
N+N
|
ACTIVE
|
|
NDP24B01RH
|
8
|
40
|
30
|
ADJ.
|
280
|
ESSOP10
|
N+N
|
2023Q1
|
|
NDP26201KC
|
7
|
60
|
2,3,5
|
ADJ
|
300
|
SOP-8
|
N+N
|
2023Q2
|
|
NDP26301Kc
|
7
|
80
|
2,3
|
ADJ.
|
300
|
QFN5*5-20
|
N+N
|
2023Q2
|
P+N架構
應用場景
打印機、投影儀、小家電、車機系統
產品特點
輸出電壓可調,電壓精度為 ±1.5%
部分產品頻率可調,最大可達500KHz
最大占空比可達100%
完整的保護功能,包含OVP,OCP,OTP,UVLO,SCP
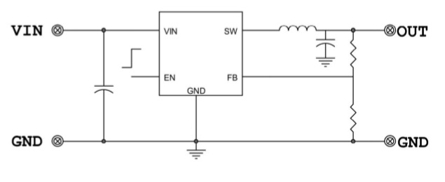
應用電路

N+N架構
應用場景
打印機、投影儀、小家電、車機系統
產品特點
電壓精度 ±1.5%
最大占空比達98%
完整的保護功能,包含OVP,OTP,UVLO,SCP
QFN封裝,能支持最大30A峰值電流輸出
應用電路

|