工程界普遍認為,當升壓轉換器必須提供高輸出電壓、在低輸入電壓下工作、提供高升壓比或支持高負載電流時,需使用多相位功能。相比單相位設計,多相位升壓設計有多項優勢,包括:提高效率、改善瞬態響應,以及降低輸入和輸出電容值(因為電感紋波電流,以及輸入和輸出電容中的紋波電流降低),使得整個升壓轉換器動力系統組件上的熱應力降低。
設計多相位升壓轉換器時,簡單之處在于連接輸入電源和輸出電軌,以減小輸入/輸出濾波器的尺寸,并且降低其成本。難點則在于連接誤差放大器的輸出和相位控制器的反饋引腳,以確保實現平衡均流和正確的相位同步。這兩種信號對噪聲極其敏感,即使采用非常精細的布局,也會受到升壓轉換器應用中典型的尖峰電流和電壓變化影響。一些升壓控制器具備多相位功能,可以解決此問題,但很多都沒有。
對于沒有多相位電路的控制器,LT8551 多相位升壓轉換器相位擴展器可以和主控制器的開關組件一同工作,并檢測其狀態,以此解決該問題。LT8551可以復制其功能,測量主控制器的電感電流,并調整每個附加相位中的電感電流。
LT8551提供高輸入/輸出電壓(高達80 V),能夠構建高功率升壓轉換器(包括提供雙向電流的轉換器),因此非常適合汽車和工業應用。
轉換器的功能
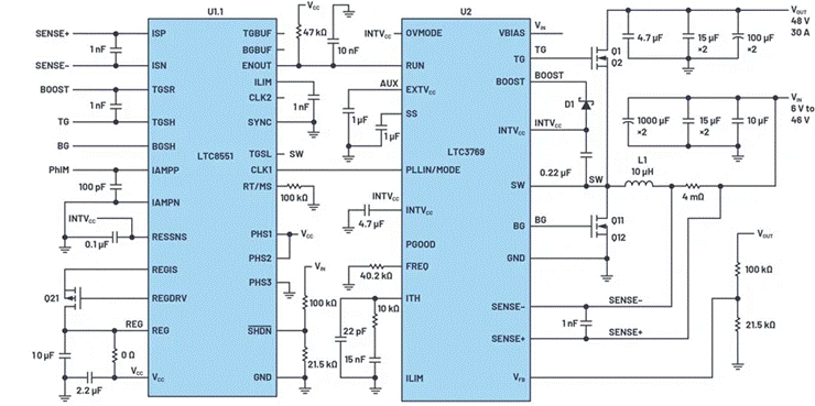
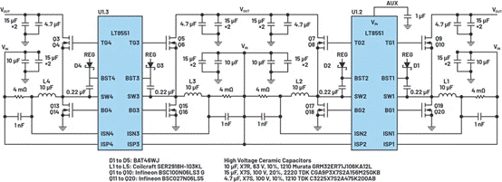
圖1和圖2顯示基于LT8551相位擴展器的完整解決方案。為了說明其功能,將該相位擴展器U1分為三個子電路:U1.1、U1.2和U1.3。接口U1.1與主控制器U2和任何外部信號通信。功率級U1.2和U1.3實施真實的功率轉換,并管控MOSFET開關。圖1和圖2所示U1的這三個部分都集成在LT8551控制器中。

圖1. LT8551相位擴展器U1.1連接至主控制器U2的接口。該解決方案的四個附加(擴展)電源相位如圖2所示。

圖2. LT8551電源部分U1.2和U1.3的電路原理圖。LT8551連接至主升壓控制器的接口如圖1所示。VIN = 6 V 至 46 V, VOUT = 48 V (30 A時)。
主控制器U2檢測流經FB引腳的輸出電壓。它還通過將ITH引腳當做誤差放大器的輸出來完善峰值電流模式控制功能。所有高阻抗電路(關閉FB引腳)和噪聲敏感型組件(關閉ITH引腳)都緊鄰U2,且不與外部組件連接。使用這種方法,可以實現緊湊且防噪聲的布局。
LT8551并未使用典型的反饋和誤差放大器信號來擴展相位,而是使用繁雜(但更堅固)的開關狀態檢測方案。子電路U1.1利用柵極驅動電壓的可靠信號BG和TG,以及主控制器的開關節點信號 SW來管控由U1.2和U1.3驅動的動力系統構成的四個相位。控制器U1負責均衡所有相位(擴展器和主控制器)之間的電感電流。這是通過測量每個通道的輸出電流來完成的(通過對應的電流 檢測ISPx、ISNx引腳,以及連接至U2的SENSE+和SENSE–的ISP和ISN端口)。INTVCC和自舉電壓(BOOST)信號也被納入控制方程。
圖1和圖2所示的原理圖顯示了最多具有五個相位的升壓轉換器的簡化配置。LT8551可用于將幾乎所有單相位升壓控制器擴展至最多具有18個相位,且相應成倍增加其輸出功率。在超過五個 相位的配置中,一個LT8551作為主控制器,其他的LT8551控制器則作為從控制器。主控制器的CLK1信號與主從控制器同步,CLK2信號則定義后續相位的相位角度,最多可達18個獨有角度。18個相位的限制不一定會限制通道的數量,如果通道可以共用相同的相位角度,那么電源相位的數量也基本不受限制。
圖1和圖2所示的動力系統配置包括N通道功率MOSFET Q1至Q20、電感L1至L5,以及輸入和輸出濾波器。轉換器的效率如圖3所示,最大輸出電流為30 A,輸出電壓 VOUT = 48 VV,輸入電壓VIN = 24 V。負載電流應降低至低于VIN,以限制輸入電流和熱應力。負載電流降額曲線如圖4所示。LT8551包含內部電感電流平衡電路,在相位之間提供出色的均流,從±6%至±10%(最大值)。

圖3. 在對流冷卻(無空氣流動)情況下,VIN = 24 V時的轉換器效率。

圖4. 轉換器輸入電壓與負載電流降額曲線。
為了降低兩個控制器的熱應力,尤其是在更高電壓下,需使用輔助電源(AUX)。一種解決方案如LT8551的示意圖所示。
圖5所示為DC2896A-B評估電路圖片,包含指定的主相位和擴展相位。擴展相位的熱影像如圖6所示。

圖5. 基于LT8551的演示電路DC2896A-B。

圖6. 在對流冷卻(無空氣流動)情況下,基于LT8551的演示電路的熱影像。25 A時, VIN = 24 V, VOUT = 48 V 。
結論
LT8551相位擴展器為電源設計人員提供靈活工具,通過擴展開關相位來構建高功率、高效率的升壓轉換器,直到達到所需的功率限值。高頻率(高達1MHz)有助于最小化電源組件的尺寸,集成式柵極驅動器,以及精確的電感電流監測和均衡則可以防止出現飽和,并在板表面均勻散熱。 |