描述
DVC1006是一款采用車規級高壓BCD工藝設計的3-6節鋰電池組監控芯片,通過四線式SPI接口與上位機進行通信,形成一套完整的電池組管理系統(BMS)。 DVC1006內置1路15位ΣΔADC(VADC)和1路16 位ΣΔADC(CADC),可以持續地高精度測量電池組中電池電壓、電池溫度和充/放電電流等信息,反饋給上位機完成電池組SOC估算。 DVC1006集成了完整的硬件保護功能,上位機可以將電池過壓閾值、電池欠壓閾值、充電過流閾值、放電過流閾值和放電短路閾值配置到芯片寄存器中。芯片就可以在異常發生時,瞬間完成硬件保護,并立即反饋警報給上位機。 DVC1006內置了6路被動電池均衡驅動電路, 上位機可以同時打開所有電池均衡,而不用擔心影響芯片測量和硬件保護功能。 DVC1006還集成了低邊充電和放電N型場效應管驅動,上位機可以通過配置寄存器完成充電或放電管理。同時芯片在異常發生時,也可以自動關閉充電或放電場效應管,保證電池組安全。
特點
集成電壓傳感通道和電流傳感通道,同步測 量電池電壓和充/放電電流
電壓傳感通道集成 15-bit ΣΔADC(VADC), 有效位數 13bit,支持:
6節電池電壓測量,
6路被動電池均衡驅動
1路熱敏電阻電壓測量
芯片溫度測量
電池過壓保護(OV)
電池欠壓保護(UV)
到上位機的警報中斷
電流傳感通道集成 16-bit ΣΔADC(CADC) , 有效位數 14bit,支持:
低邊電流測量
低邊充電和放電N型場效應管驅動
充電過流保護(OCC)
放電過流保護(OCD)
放電短路保護(SCD)
2.5V/3.3V LDO 輸出
SSOP24 封裝
應用
電動自行車、電動輕型摩托車、電動摩托車;平衡車、掃地機器人、電動旋翼機 ;不間斷電源系統(UPS) ; 電網儲能;12V、18V 磷酸鐵鋰/三元鋰電池組等
引腳配置

引腳功能


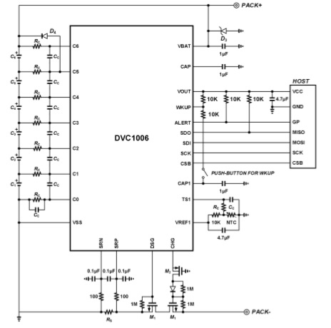
典型應用圖
