描述
NDP133A1KC是一款內部集成了多種USB快充協議的高效、同步降壓DC/DC轉換器。在8.5V至30V的輸入電壓范圍內可以提供高達3.1A的連續電流,具有出色的線路和負載調節能力。
NDP133A1KC集成USB快充協議包含QC2.0/3.0、SCP、FCP和AFC等。它還支持iPhone、BC1.2或YD/T 1591兼容設備。NDP133A1KC能自動識別連接到USB端口的受電設備,以及自動調整輸出電壓。
特征
同步降壓轉換器
寬VIN輸入電壓范圍:8.5V至30V
3.1A連續輸出電流
效率高達95%
CC/CV模式控制
默認5.1V固定輸出電壓
+/-2%輸出電壓精度
內部環路補償功能
集成45/21 mΩ高/低壓側RDS(ON)MOS管
輕載下的突發模式操作
USB快充協議
輸出電壓范圍:3.6V~12V,快速快充握手通訊調整功能
支持QC2.0/3.0
支持SCP/FCP/AFC
支持在D+/D上施加2.7V的USB DCP
符合BC1.2、YD/T 1591-2009標準
QC 3.0認證:QC20230629328
SOP8封裝
應用
墻壁適配器、智能手機;車載充電器;平板電腦、上網本;分布式電力系統等
管腳排列及定義

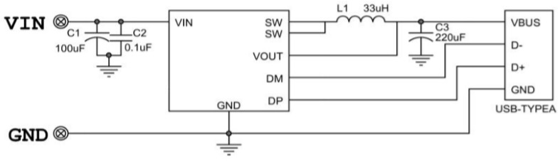
典型應用圖
