|
便攜式藍牙音響可以說是目前使用量最大、最受歡迎的音響產品,特別是隨著智能手機、智能家居的興起,其增長勢如破竹。它連接方便,與手機等音樂設備可無縫連接;它具有一定的便攜性,有的可隨身攜帶,有的可放置在車中、臥室、客廳,甚至室外、廣場,應用非常廣泛。
最初,便攜式藍牙音響普遍的方案是僅靠一節鋰電池驅動,成本不高、電池可持續播放時間較長,廣泛被消費者接受。該方案的音頻功放代表作是HT6873,在一節鋰電池直接驅動下,保證了業界最大的功率和足夠的音質。由此,便攜式無線音響在消費者中開始收到歡迎。
但隨著時間的推移,人們開始不滿足于受限的功率。便攜式藍牙音響開始朝著更大功率、更飽滿的音質、更渾厚的低音方向努力,以追求更廣闊的市場。期間,人們有使用一節鋰電池外置升壓芯片供電給音頻功放的方案,亦或使用一節鋰電池供電給內置升壓的音頻功放的方案,還有直接有雙節鋰電池串聯供電給音頻功放的方案。這些方案均不同程度的提升了系統功率,在音質上有了更好的表現。
然而隨著便攜式藍牙音響的流行,各方均涌向該市場,競爭逐漸激烈,成本要求漸高,性能追求更加極致,產品差異化需求進一步增加;另外,近年來由亞馬遜Echo帶來的智能音響熱也帶動了便攜式藍牙音響,部分便攜式無線音響開始朝著語音識別方向發展,其對低功耗、人聲表現、音質表現均有進一步的提高。
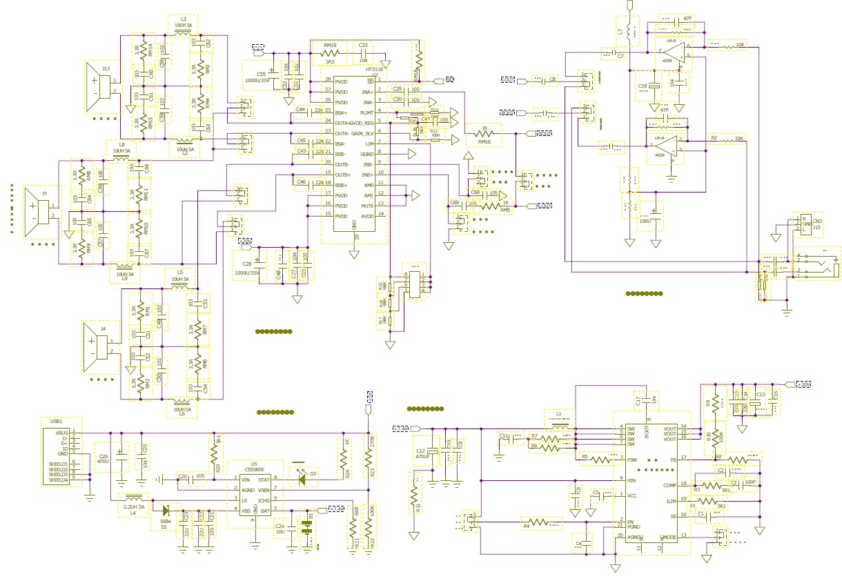
由此,深圳市永阜康科技有限公司推出的雙節鋰電池串聯的音頻升壓整體方案,正是迎合了這種趨勢,可作為獨具一格的便攜式藍牙音響參考設計:
(1)一方面,其方案整合了HT7178升壓芯片,7.4V的電壓被提升至15V(該升壓值可按需求調整)并提供給音頻功放芯片HT317,系統功率提升至2×18W @ 4ohm, 1%,大大提升了音質,渾厚低音更易實現,可以說是便攜式音響的極致表現了,并且這些芯片在良好音質和更大功率的前提下均具有不錯的價格優勢。
*HT7178: 20V, 2A全集成同步升壓轉換器
該器件具備12A開關電流能力,并且能夠提供高達20V的輸出電壓,集成11mΩ功率開關管和13mΩ同步整流管,節省PCB面積及外圍成本,并具有目前同類產品中最高的性價比。
*HT317:75W PBTL, 30W BTL, D類音頻功放
該器件具有精簡的外圍(TSSOP28),24V, 8ohm, THD+N=1%條件下能提供2×30W的功率,并具有AGC、過溫限幅和各類保護功能,因其具有明顯的性價比優勢和良好的音質表現,是明星產品TPA3116/8的有力繼承者。
(2)另外,該方案整合了充電管理。
雙節鋰電串聯方案普遍需要配置9V或12V的適配器和專門的充電管理芯片,以配合雙節充電。這種方案增加了不少成本,由于需要專門的充電線,也給終端消費者帶來了不必要的不便。
本方案采用的CS5080充電管理IC,可支持5V USB輸入給兩節鋰電充電。其獨有的升壓充電管理IC系統可以利用手機充電器為雙節鋰電池串聯充電,使得終端音頻設備可以省去專門充電適配器,進一步降低了音頻終端產品總體成本,縮小了音頻終端產品外包裝尺寸。
特性
適用于雙節電池供電的便攜式無線音響
2×18W (RL = 4ohm, THD+N = 1%) (可調)
THD+N = 0.02% (Po = 1W)
支持5V USB充電,無需專配充電適配器
超低功耗
設計簡單,外圍精簡
應用原理圖

DEMO圖

詳細的產品資料及銷售聯絡信息請參看:http://www.lbxn.com.cn/products_3777.htm
|