| 當前位置:首頁->技術分享 |
|
| TAS5822M具有96kHz增強處理能力的無電感器數字輸入的35W立體聲閉環D類放大器 |
|
|
| 文章來源:永阜康科技 更新時間:2022/12/29 10:43:00 |
在線咨詢: |
| |
說明
TAS5822M 是一款高效數字輸入D類音頻放大器,適用于驅動消費類、商用和工業電子產品中使用的揚聲器。
高性能閉環架構和寬開關頻率范圍可在大多數應用中減少無源器件并更大限度地減小電感器尺寸,從而減小解決方案的尺寸。TAS5822M具有集成音頻處理器,采用高達96kHz的架構,支持高級處理流程。
該器件支持高效1SPW 調制,具有可調的D類環路帶寬,可實現良好的音頻性能。
特性
• 靈活的音頻 I/O:
– 支持 32kHz、44.1kHz、48kHz、88.2kHz、 96kHz 采樣率
– I2S、LJ、RJ、TDM
– 用于音頻監控、子通道或回聲消除的 SDOUT
– PLL 集成,支持三線制數字音頻接口(無需 MCLK)
– 支持立體聲橋接式或單聲道并聯橋接式負載 (BTL 和 PBTL)
• 高效 D 級運行:
– 電源效率高于 90%,RDSon 為 90mΩ
• 支持多路輸出配置
– 2.0 模式下(8Ω、24V、THD+N=1%),可提 供 2 × 35W 的輸出功率
– 2.0 模式下(6Ω,18V,THD+N=1%),可提 供 2 × 22W 的輸出功率
• 優異的音頻性能:
– 1W、1kHz、PVDD = 24V 的條件下,THD+N ≤ 0.06%
– SNR ≥ 110dB(A 加權),ICN ≤ 40μVRMS
• 增強的音頻處理能力:
– 采樣率轉換器 – 96kHz 處理器采樣
– 直流阻斷,2 ×14 個 BQ,THD 管理器
– DPEQ,音量控制
– 輸入混合器、輸出交叉開關
– 四階 2 頻帶 DRC + AGL
– 過熱折返 • 靈活的電源配置
– PVDD:4.5V 至 26.4V – DVDD 和 I/O:1.8V 或 3.3V
• 出色的集成式自保護功能:
– 過流錯誤 (OCE)
– 過熱警告 (OTW)
– 過熱錯誤 (OTE)
– 欠壓/過壓鎖定 (UVLO/OVLO)
• 可輕松進行系統集成
– I2C 軟件控制
– 減小了解決方案尺寸
• 與開環器件相比,所需的無源器件更少
• 采用全新 EMI 技術,具有超低 EMI
• 大多數應用都不需要大型電感器
應用
• 條形音箱、電腦音頻 • 無線、藍牙揚聲器 • DTV、HDTV、UHD 和多功能監控器
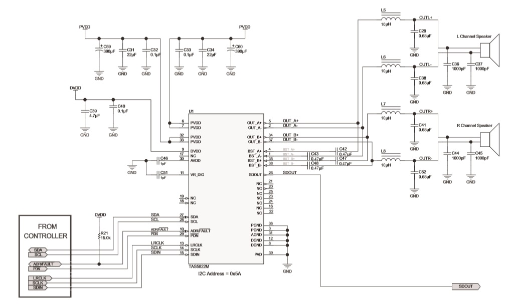
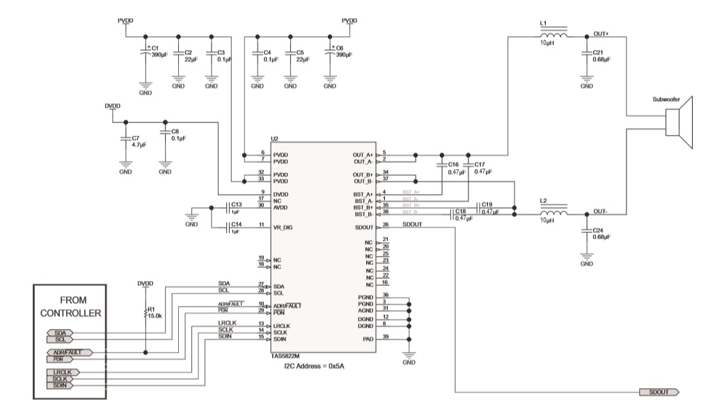
應用原理圖


|
| |
|
|
|
|
|
| |
| |
| |
 |
您可能對以下產品感興趣 |
 |
|
 |
| 產品型號 |
功能介紹 |
兼容型號 |
封裝形式 |
工作電壓 |
備注 |
| ACM8629 |
2×50W,立體聲模式(4Ω, 24V, THD+N = 1%);100W,1×100W單聲道模式(2Ω, 24V, THD+N = 1%)
|
|
TSSOP-28(散熱片朝上,支持外接散熱器) |
4.5V-26.4V |
50W立體聲/100W單聲道、數字輸入音頻功放芯片,內置DSP多種音頻處理效果 |
| ACM8625S |
2×40W, 立體聲輸出 (6Ω, 24V, THD+N = 1%) /82W,單聲道輸出 (3Ω, 24V, THD+N = 1%) |
TAS5805/ACM8625/ACM8628/ACM8622 |
TSSOP-28 |
4.5V-26.4V |
2×40W立體聲、數字輸入D類音頻功放芯片、 內置DSP音效處理算法 |
| ACM8685 |
2×32W, 立體聲輸出(8Ω, 22V, THD+N = 10%) |
ACM8622/ACM8625/ACM8628 |
TSSOP-28 |
4.5V-26.54 |
2×26W立體聲/52W單聲道、內置DSP虛擬低音等多種音頻處理效果、數字輸入音頻功放芯片 |
| ACM8615 |
21W, 單聲道輸出(8Ω, 20V, THD+N = 1%)
26W, 單聲道輸出 (8Ω, 20V, THD+N = 10%)
|
|
QFN-16 |
4.5V-21V |
內置DSP、I2S數字輸入20W單聲道D類音頻功放IC |
| ACM8625P |
2×33W, 立體聲輸出(6Ω, 21V, THD+N = 1%)
51W, 單聲道輸出 (8Ω, 21V, THD+N = 1%)
|
ACM8622/ACM8625M/ACM8628 |
TSSOP-28 |
4.5V-21V |
I2S數字輸入33W立體聲D類音頻功放芯片、內置DSP小音量低頻增強等算法 |
| ACM8622 |
2×14W, 立體聲輸出(4Ω, 12V, THD+N = 1%);
2×10.5W, 立體聲輸出 (6Ω, 12V, THD+N = 1%) |
TAS5805/ACM8625/ACM8628 |
TSSOP-28 |
4.5V-14.5V |
內置DSP音效處理算法、2×14W立體聲/ 1×23W單聲道、數字輸入D類音頻功放IC |
| ACM8625 |
2×26W, 立體聲輸出(8Ω, 22V, THD+N = 1%)
2×32W, 立體聲輸出 (8Ω, 22V, THD+N = 10%) |
TAS5805/ACM8628/ACM8622 |
TSSOP-28 |
4.5V-26.4V |
I2S數字輸入26W立體聲D類音頻功放芯片、內置DSP小音量低頻增強等算法 |
| ACM8628 |
2×41W、立體聲 (6Ω, 24V, THD+N = 1%) ;
2×33W, 立體聲 (4Ω, 18V, THD+N = 1%) ;
1×82W, 單通道 (3Ω, 24V, THD+N = 1%) |
TAS5805/ACM8625/ACM8622 |
TSSOP-28 |
4.5V-26.4V |
2×41W立體聲 /1×82W單通道數字輸入功放、內置DSP小音量低頻增強等算法 |
|
| |
|
| |
|
|