DC/DC 升壓或升壓轉換器是簡單的開關模式轉換器類型之一,可根據給定情況增加輸入電壓。
DC/DC 轉換器用于我們日常生活中使用的多種電器。這些轉換器的主要目標是根據當前的應用升高或降低直流電壓,同時提供電壓調節。
升壓或升壓轉換器是簡單的開關模式轉換器類型之一,可根據要求增加或提升輸入電壓。有很多場景需要稍高的電壓。請繼續閱讀,了解有關升壓轉換器的基礎知識及其工作原理的更多信息。
升壓轉換器基礎知識
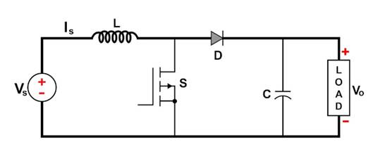
升壓轉換器的歷史可以追溯到 20 世紀 60 年代,初用于為飛機上的電子系統供電 [1]。初的要求要求這些轉換器盡可能緊湊和高效。這強調了設計簡單且優化的必要性。升壓轉換器由電感器、半導體開關、二極管和電容器組成[2]。它需要更少的部件來實現,并且比交流變壓器更簡單。升壓或升壓轉換器的電路圖如圖 1 所示。

圖 1. 升壓或升壓轉換器的電路圖。EETech 的形象財產
使用升壓轉換器的主要優點是效率高。如果設計良好,高達 99% 的輸入能量可以轉換為有用的輸出能量,從而使整體效率達到 99%。需要注意的是,升壓轉換器的設計主要是開關(通常是MOSFET)的擊穿電壓和導通電阻值之間的折衷。這是因為開關電壓需要額定為高電壓,因為它看到的電壓是電源電壓和電感器電壓的總和,這意味著高導通電阻。
選擇能夠承受大電流并具有高導磁磁芯的電感器也至關重要。這有助于在不影響整體設計緊湊性的情況下獲得高電感值。電感器始終連接在輸入側,是恒定輸入電流的來源。這使得升壓轉換器成為恒流輸入源,其中負載可以被視為恒壓源。
電路工作原理
升壓轉換器或升壓轉換器有助于將直流電壓從輸入升壓到輸出。開關的導通狀態決定了電路的操作。
在導通狀態期間,流過電感器的電流線性增加。二極管不導通。如圖 2 所示。在關斷狀態期間,二極管傳導電流,能量從電感器傳輸到電容器。盡管流過電感器的電流不會突然變化,但這會導致電感器電流減少[4]。圖 3 對此進行了說明。

圖 2. 升壓轉換器的通態操作。
圖 3. 升壓轉換器的斷態操作。EETech 的形象財產
在分析升壓轉換器期間需要記住的兩個重要方面包括電感器電流是連續的,這只有通過選擇正確的電感值才能實現。此外,任何完整周期內電感器電流的凈變化為零,因為電感器電流值在導通狀態期間從正斜率值上升到值,然后以負斜率回落到初始值 [3] 。
在電路的穩態工作期間,可以根據電感電流值定義兩種工作模式。如果電感器電流永遠不會達到零,則稱為連續導通模式。然而,如果電感器電流達到零,它就會以斷續模式工作。
以下等式表示輸入電壓和輸出電壓之間的關系:
Vout = Vin / ( 1 ? D ) _ _ _ _ _
其中 D 是占空比 [5]。
占空比定義為開關打開時間的百分比。換句話說,電感器和電容器的并聯組合形成二階低通濾波器,可以平滑開關動作,同時通過減少電壓紋波產生干凈的直流電壓。
根據升壓轉換器的輸入和輸出電壓之間的關系,可以推斷,當占空比接近零時,輸出電壓等于輸入電壓。類似地,當占空比接近1時,輸出側的電壓無限增長。 |