電池儲能系統 (BESS) 在住宅、商業、工業和電網儲能的管理中發揮著重要作用。在現代 BESS 中,電池管理系統 (BMS) 如同電池組的大腦,監測電壓、電流和溫度等參數,并深入了解充電狀態(評估可用剩余電量)和運行狀況(評估電池芯的整體狀態和老化程度)。通過確保更好的電池監測器的精度并增強系統級安全性,BMS 可以有效維持能源使用效率,延遲電池的過早老化,從而延長 BESS 壽命。
確保電池監測器的精度
電池組監測器不僅可以提高電芯電壓測量的精度,還有助于改善荷電狀態估算和過壓保護。荷電狀態算法和其他高壓系統診斷還需要準確報告電池組電壓和電流。
磷酸鐵鋰 (LiFePO4) 電池因其可靠性和合理的成本而成為 BESS 中常用的電池類型,其高精度測量與系統運行的可靠性直接相關。LiFePO4 電池的電壓曲線特征明顯,在大部分有用容量內,充放電曲線基本保持平坦,從而在充電結束之前提供更穩定的工作電壓;而當達到充電終點時,電壓水平會迅速下降。如果未能檢測到充放電曲線平坦區域的輕微電壓變化,可能會增加荷電狀態估算中出現誤差的風險。
增強系統級安全性
各種因素會直接影響電池性能下降,包括過度充電和過度放電情況、高溫、低溫和充電電流過高。BMS 中的集成式監控和保護套件有助于降低這些情況的發生率。例如,集成式電芯均衡等功能可以通過確保電芯緊密均衡,防止較弱的“不均衡”電芯使整個電池組造成過載,從而大大延長電芯整體壽命。精確平衡和高精度電芯測量可緩解并檢測電芯操作和調節中的低效情況。
在電池組的整個使用壽命期間,電芯之間的差異不斷增加。隨著電芯容量持續增加,在 ESS 中,僅采用被動均衡是不夠的。主動電芯均衡和主動電池組均衡有助于延長 ESS 壽命并減少人工維護需求。
用于實現電池均衡的主動均衡設計方法使用雙向隔離 DC/DC 轉換器來實現能量傳送,有助于提高整個系統的利用率。
實現長使用壽命
蓄電池的循環壽命隨著每一代產品的更新,從 10,000 次提升到 12,000 次,甚至達到 15,000 次。這種增長有可能使產品的使用壽命在某一天達到 20 至 25 年。延長電池的使用壽命是 BESS 開發中的重要考慮因素,可幫助設計人員提供具有競爭力且高效的產品。
應用基礎知識
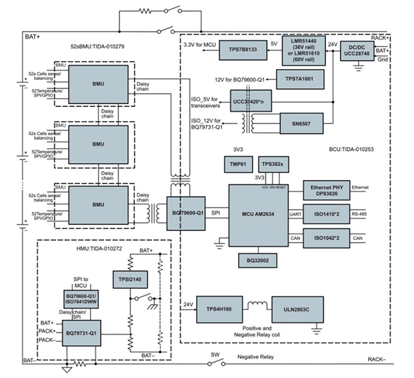
圖 1 展示了一個 BESS 架構。此系統適用于基于鋰離子和 LiFePO4 電池的高壓 (1,500V) 電池系統,包含多套完 整系統解決方案的參考設計。
適用于儲能系統的高達 1,500V 的可堆疊電池管理單元參考設計結合了多個電池管理單元,這些單元利用 BQ78706 堆疊式電池監測器通過冗余數據測量功能來檢測電池故障。
接著,適用于儲能系統的 1,500V 高壓機架監控單元參考設計展示了一種高壓監測單元 (HMU),該單元采用 BQ79731-Q1 電池組監測器來實現總線電壓和電流的檢測和測量,并集成冗余數據測量功能。電池控制單元 (BCU) 能夠可靠地驅動系統開關,從而幫助維持系統安全。

圖 1. BESS 架構方框圖
實現精確的電池檢測和可靠的系統架構
圖 1 展示了 BCU 和 HMU 的組合如何用于實現系統級安全。HMU 中的 BQ79731-Q1 可實現高精度總線電壓測量,最大精度為 ±3.16mV。該級別的精度水平有助于提高隔離阻抗測量和接觸焊接檢測的校準可靠性和操作簡易性。BQ79731-Q1 還整合了連續采樣模數轉換器,具有低增益誤差 (±0.065%) 和低失調電壓 (-2.5µV 至 7.5µV)。 電壓和電流測量診斷可通過使用安全機制(符合 TI 功能安全標準,達到汽車安全完整性等級 [ASIL] D)執行,這些機制由 BQ79731-Q1 提供支持,從而以可靠的測量結果實現系統級安全。
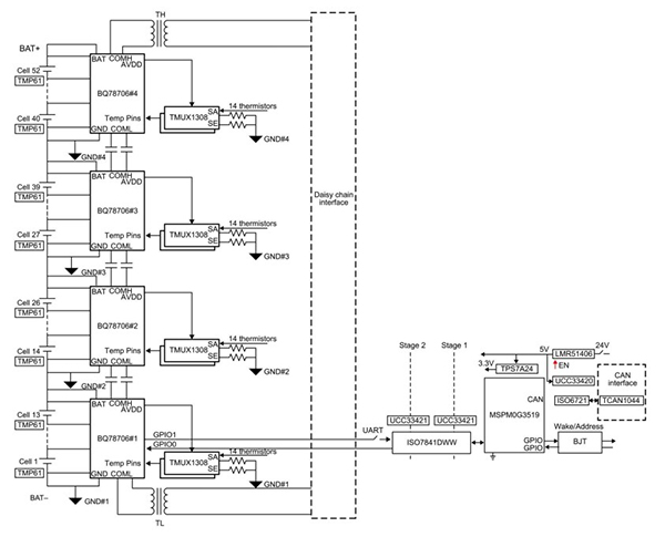
圖 2 演示了適用于儲能系統的 TI 電池控制單元參考設計,該設計采用 BQ78706 電池監測器,可在 –40°C 至 125°C 范圍內實現 ±2.4mV 的電芯電壓誤差。該設計通過 TMUX 擴展和 TMP61 高精度(–25°C 至 65°C 時 ±1°C)熱敏電阻傳感器測量每個單獨電芯通道的溫度。在 BMU 中,將使用 BQ78706 的集成安全機制(符合 TI 功能安全標準 ASIL B 等級)診斷電芯電壓和溫度,以獲得可靠的結果。基于 MSPM0G3519 的軟件開發套件有助于簡化設計過程,從而縮短上市時間。

圖 2. 適用于儲能系統參考設計的電池控制單元參考設計圖(顯示了可堆疊 BMU 架構)
BMU 和 HMU 設計符合國際電工委員會 62477-2 和美國保險商實驗室 1973 加強絕緣的要求,最高可達 1,500V。該設計可與 ISO7841 和 UCC33421 等增強型隔離器配合使用,也可與超寬爬電變壓器以菊花鏈方式連接,確保充分的系統級安全性。
結語
安全可靠的 BMS 對于提高 ESS 的使用壽命、效率以及最重要的安全性方面發揮著關鍵作用,尤其是在當前電池技術由鋰離子電池轉向 LiFePO4 化學電池及更先進的方案的趨勢下。BMS 設計方法提供精確的數據監測,并實現所有 ESS 模式下的電池組和電芯級均衡,從而最大限度地提高對太陽能、風能等可再生能源的能源利用率,這有助于在用電高峰期間穩定電網運行、或在斷電期間提供穩定的備用電力支持。 |