| 當前位置:首頁->技術分享 |
|
| TPA3221 100W(立體聲)200W(單路)HD音頻D類放大器解決方案 |
|
|
| 文章來源:永阜康科技 更新時間:2018/11/23 10:03:00 |
在線咨詢: |
| |
TI公司的TPA3221是大功率D類放大器,具有帶寬高達100kHz的閉環負反饋,提供音頻帶的低失真和極好的音頻質量,器件工作在AD或低空載電流HEAD(高效AD模式)調制,能對4歐姆負載提供2x105W或對2歐姆負載提供1x208W功率.器件具有單端或差分模擬輸入接口,四種可選擇增益:18 dB, 24 dB, 30 dB和34 dB,主要用在無線和加電揚聲器,條形音箱,超低音音箱,書架立體聲系統和專業與公共地址(PA)揚聲器.本文介紹了TPA3221主要特性,框圖和系統框圖,以及TPA3221評估模塊主要特性,電路圖,材料清單和PCB設計圖.
TPA3221 is a high-power Class-D amplifier thatenables efficient operation at full-power, idle andstandby. The device features closed-loop feedbackwith a bandwidth up to 100 kHz, which provides lowdistortion across the audio band and deliversexcellent sound quality. The device operates witheither AD or low idle-current HEAD (High Efficient AD mode) modulation, and can drive up to 2 x 105 W into4-Ω load or 1 x 208 W into 2-Ω load.
The TPA3221 features a single-ended or differentialanalog-input interface that supports up to 2 VRMS withfour selectable gains: 18 dB, 24 dB, 30 dB and 34dB. The TPA3221 also achieves >90% efficiency, lowidle power (<0.25 W) and ultra-low standby power(<0.1 W). This is made possible through the use of70-mΩ MOSFETs, an optimized gate drive schemeand low-power operating modes. TPA3221 includes abuilt-in LDO for easy integration in single-powersupplysystems. To further simplify the design, thedevice integrates essential protection featuresincluding undervoltage, overvoltage, cycle-by-cyclecurrent limit, short circuit, clipping detection,overtemperature warning and shutdown, as well asDC speaker protection.
TPA3221主要特性:
• Wide 7-V to 30-V Supply Voltage Operation
• Stereo (2 x BTL) and Mono (1 x PBTL) Operation
• Output Power at 10% THD+N
– 105-W Stereo into 4 Ω in BTL Configuration
– 112-W Stereo into 3 Ω in BTL Configuration
– 208-W Mono into 2 Ω in PBTL Configuration
• Output Power at 1% THD+N
– 88-W Stereo into 4 Ω in BTL Configuration
– 100-W Stereo into 3 Ω in BTL Configuration
– 170-W Mono into 2 Ω in PBTL Configuration
• 5-V Gate Drive or Built-in LDO for Optional Single-Supply Operation
• Closed-Loop Feedback Design
– Signal Bandwidth up to 100 kHz for High-Frequency Content From HD Sources
– 0.02% THD+N at 1 W into 4 Ω
– 60-dB PSRR (BTL, No Input Signal)
– <75-μV Output Noise (A-Weighted)
– >108-dB SNR (A-Weighted)
– AD or HEAD Modulation Schemes
• Low-Power Operating Modes
– Standby Modes: Mute and < 1 mA Shutdown
– Low Idle-Current HEAD Modulation Scheme
– Single-Channel BTL Operation
• Multiple Input Options to Simplify Pre-Amp Design
– Differential or Single-Ended Analog Inputs
– Selectable Gains: 18 dB, 24 dB, 30 dB, 34 dB
• Integrated Protection: Undervoltage, Overvoltage,Cycle-by-cycle Current Limit, Short Circuit,Clipping Detection, Overtemperature Warning andShutdown, and DC Speaker Protection
• 90% Efficient Class-D Operation (4 Ω)
• Pin-Compatible Family of Devices with Voltageand Power-Level Options
TPA3221應用:
• Wireless and Powered Speakers
• Soundbars
• Subwoofers
• Bookshelf Stereo Systems
• Professional and Public Address (PA) Speakers

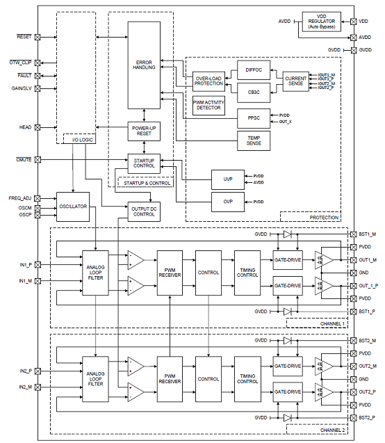
圖1.TPA3221功能框圖

圖2.TPA3221簡化電路圖

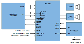
圖3.TPA3221系統框圖

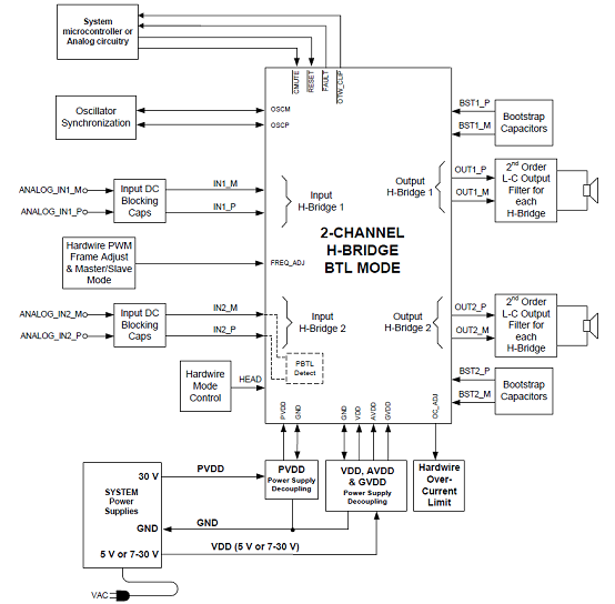
圖4.TPA3221差分(2N)AD模式BTL應用電路

圖5.TPA3221差分(2N)AD模式PBTL應用電路(1)

圖6.TPA3221差分(2N)AD模式PBTL應用電路(2)
TPA3221評估模塊
This user ’s guide describes the characteristics, operation, and use of the TPA3221 evaluation module. A complete printed-circuit board (PCB) description, schematic diagram, and bill of materials are also included.

圖7.TPA3221評估模塊外形圖

圖8.TPA3221評估模塊PCB外形圖(頂層)

圖9.TPA3221評估模塊PCB外形圖(底層)

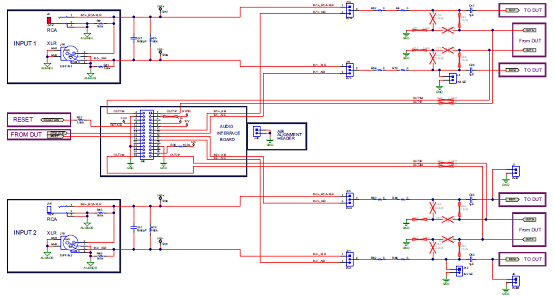
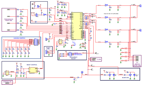
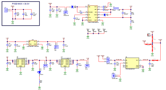
圖10.TPA3221評估模塊電路圖(1)

圖11.TPA3221評估模塊電路圖(2)

圖12.TPA3221評估模塊電路圖(3)
TPA3221評估模塊材料清單:




圖13.TPA3221評估模塊PCB頂層裝配圖

圖14.TPA3221評估模塊PCB底層裝配圖

圖15.TPA3221評估模塊PCB設計圖(1)

圖16.TPA3221評估模塊PCB設計圖(2)

圖17.TPA3221評估模塊PCB設計圖(3)

圖18.TPA3221評估模塊PCB設計圖(4)

圖19.TPA3221評估模塊PCB設計圖(5)

圖20.TPA3221評估模塊PCB設計圖(6)

圖21.TPA3221評估模塊PCB設計圖(7)

圖22.TPA3221評估模塊PCB設計圖(8)

圖23.TPA3221評估模塊PCB設計圖(9)

圖24.TPA3221評估模塊PCB設計圖(10) |
| |
|
|
|
|
|
| |
| |
| |
 |
您可能對以下產品感興趣 |
 |
|
 |
| 產品型號 |
功能介紹 |
兼容型號 |
封裝形式 |
工作電壓 |
備注 |
| CS8683 |
130W/30V/4Ω |
|
EQB-32(散熱片在頂部,支持外接散熱器) |
4.7V-45V |
130W單聲道D類功放IC,具有AM干擾抑制功能 |
| CS8673 |
2X42W/24V/8Ω或82W/24V/4Ω |
|
ESOP-16 |
5.0V-26V |
具備擴頻功能、低空載電流、免電感、2X40W立體聲、80W單聲道D類音頻功放IC |
| CS8316 |
PO at 10% THD+N, VIN=7.4V
RL=4Ω+22uH 21W(D MODE NCN OFF)
PO at 10% THD+N, VIN =7.4V
RL=3Ω+22uH 25W(D MODE NCN OFF)
|
|
TSSOP-24 |
5V-9V |
針對雙節鋰電池串聯供電應用,固定24倍增益,防破音,AB/D切換,功率限制,內置升壓模 塊,具備自適應升壓功能,恒定25W輸出功率R類單聲道音頻功率放大器 |
| HT560 |
2X40W/18V/4Ω或75W/24V/4Ω |
|
QFN-36 |
4.5V-26V |
30W立體聲D類I2S輸入音頻功放 |
| HT7178 |
輸入電壓范圍:2.7V -14 V;輸出電壓范圍:4.5V-20V
;可編程峰值電流: 14A
|
TPS61088/HT7167 |
DFN-20 |
2.7V-14V |
20V 14A帶輸出關斷的全集成同步升壓IC |
| HT317 |
2X42W/18V/4Ω或75W/24V/4Ω |
|
TSSOP-28 |
5V-26V |
42W立體聲/75W單聲道D類功放IC,,工作電壓5-26V,極限耐壓32V! |
|
| |
|
| |
|
|