| 當前位置:首頁->技術分享 |
|
| SSM3582 2x31.76W數字輸入無濾波器D類放大器解決方案 |
|
|
| 文章來源:永阜康科技 更新時間:2019/12/25 10:24:00 |
在線咨詢: |
| |
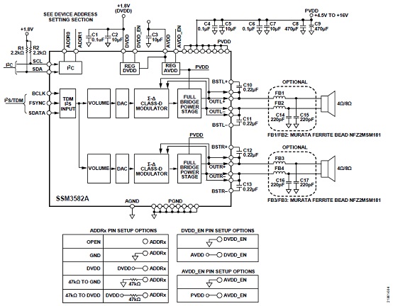
ADI公司的SSM3582是2x31.76 W高效數字輸入無濾波器立體聲D類放大器,可以工作在單電源,僅需要很少的外接元件,從而大大降低了電路的材料清單.器件采用擴頻Σ-Δ調制,能直接和揚聲器連接,和其它D類架構相比,保證了最好的模擬性能而同時降低了電磁輻射,可選擇超低電磁干擾(EMI)模式,大大降低了100MHz以上的輻射,從而可以使用更長的揚聲器電纜.放大器具有杰出的模擬性能,信噪比為106dB,總失真+噪音(THD+N)為0.004%. SSM3582A工作電壓為單電源4.5 V 到16 V ,能向8 Ω 和4 Ω負載以小于1% THD提供2x15W rms連續功率.功率效率8 Ω負載為93.8%,4 Ω負載為90.6%.脈碼調制(PCM)音頻串口支持大多數協議如I2S,左側調整, 時分復接(TDM),以及單個接口上尋址多達16個器件,多達32個音頻播放通路.器件具有短路保護,欠壓保護和熱保護.主要用在移動計算,全合一計算機,手持電子學,無線揚聲器和電視機.本文介紹了SSM3582主要特性,功能框圖和立體聲和單聲道放大器應用電路,以及評估板EVAL-SSM3582Z主要特性,框圖,電路圖,材料清單和PCB設計圖.
The SSM3582A is a fully integrated, high efficiency, digital input stereo Class-D audio amplifier. The device can operate from a single supply and requires only a few external components, significantly reducing the circuit bill of materials.
A proprietary, spread spectrum Σ-Δ modulation scheme enables direct connection to the speaker and ensures state-of-the-art analog performance while lowering radiated emissions compared to other Class-D architectures. An optional ultralow electromagnetic interference (EMI) mode significantly reduces radiated emissions above 100 MHz, enabling longer speaker cable lengths. Audio is transmitted digitally to the amplifier, minimizing the possibility of signal corruption in digital environments. The amplifier provides outstanding analog performance, with a 106 dB signal-to-noise ratio and a low 0.004% total harmonic distortion + noise (THD + N).
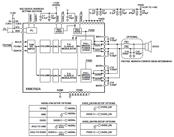
The SSM3582A operates from a single 4.5 V to 16 V supply and is capable of delivering 2× 15 W rms continuously into 8 Ω and 4 Ω loads at <1% total harmonic distortion (THD). The efficient modulation scheme maintains excellent power efficiency over a wide range of impedances: 93.8% into an 8 Ω load and 90.6% into a 4 Ω load. Optimization of the output pulse maintains performance at impedances as low as 3 Ω/5 μH, enabling its use with extended bandwidth tweeters.
The pulse code modulation (PCM) audio serial port supports most common protocols, such as I2S, left justified, and time division multiplexing (TDM), and can address up to 16 devices on a single interface, for up to 32 audio playback channels.
IC operation is controlled through a dedicated I2C interface. The two ADDRx pins (2×, five-level) define up to 16 individual addresses in I2C and standalone modes and automatically set the default TDM slots attribution.
A micropower shutdown mode is triggered by removing the digital audio interface clock, with a typical current of <1 μA. A software power-down mode is also available.
An automatic power-down feature shuts down the amplifier and the digital-to-analog converter (DAC) when no signal is present at the input, minimizing power consumption during digital silence. The device restarts when nonzero data is present at the input. Mute and unmute transitions are pop and click free.
The SSM3582A is specified over the commercial temperature range of −40℃to +85℃. The device has built in thermal shutdown and output short-circuit protection, as well as an early thermal warning with programmable gain limiting to maintain operation.
The SSM3582A is available in a 40-lead, 6 mm × 6 mm lead frame chip scale package (LFCSP), with a thermal pad to improve heat dissipation.
SSM3582主要特性:
Digital input stereo, high efficiency Class-D amplifier
Operates from a single 4.5 V to 16 V supply
State-of-the-art, proprietary, filterless Σ-Δ modulation
106.5 dB SNR at PO = 8.1 W, RL = 8 Ω, AV = 19 dB, PVDD = 12 V, A weighted
0.004% THD + N at 5 W into 8 Ω
38.5 μVrms output voltage noise, f = 20 Hz to 20 kHz, A weighted, PVDD = 16 V, 8 Ω
Pop and clickless on and off sequence
2× 14.67 W output at 12 V supply to 4 Ω loads at <1% THD + N
2× 14.4 W output at 16 V supply to 8 Ω loads at <1% THD + N
Mono mode for increased maximum output power
1× 49.69 W output at 16 V supply to 2 Ω loads at <1% THD + N
Support for low impedance loads
As low as 3 Ω/5 μH in stereo mode
As low as 2 Ω/5 μH in mono mode
High power efficiency
93.8% efficiency into an 8 Ω load
90.6% efficiency into a 4 Ω load
12.34 mA quiescent current with single 12 V PVDD supply
Single-supply operation with internal LDOs or option to use an external 5 V and 1.8 V supply for lowest power consumption
I2C control and hardware modes with up to 16 pin-selectable slots/addresses
Supported sample rates from 8 kHz to 192 kHz with 24-bit resolution
Multiple PCM audio serial data formats
TDM slave with support for up to 16 devices on a single bus
I2S or left justified slave
Adjustable full-scale output tailored for many PVDD sources
2- and 3-cell Li-Ion batteries
Digital volume control with selectable smooth ramp
Automatic power-down function
Supply monitoring automatic gain control (AGC) function reduces system brownout
Standalone operational mode without I2C
Temperature sensor with 1°C step readout via I2C
Short-circuit, undervoltage, and thermal protection
Thermal early warning
Power-on reset
PVDD sensing ADC
40-lead, 6 mm × 6 mm LFCSP with thermal pad
SSM3582應用:
Mobile computing
All in one computers
Portable electronics
Wireless speakers
Televisions

圖1.SSM3582功能框圖

圖2.SSM3582立體聲輸出應用電路圖

圖3.SSM3582單聲道輸出應用電路圖
評估板EVAL-SSM3582Z
Evaluating the SSM3582 or the SSM3582A 2×, 31.76 W, Digital Input, Filterless Stereo ClassD Audio Amplifier
The EVAL-SSM3582Z is the evaluation board for the SSM3582 or the SSM3582A, integrated stereo, 31.76 W, high efficiency, Class D, audio amplifiers with a digital input. This evaluation board can be used for both the SSM3582 or the SSM3582A devices.
The application circuit requires few external components and can operate from a single 4.5 V to 16 V supply. The EVAL-SSM3582Z is capable of delivering 14.67 W of continuous output power to a 4 Ω load from a 12 V power supply, with <1% THD + N, or 31.76 W into a 4 Ω load from 16 V, 10% THD + N.
The SSM3582 and the SSM3582A feature a high efficiency, low noise modulation scheme that requires no external reconstruction filter (LC) output filters. This scheme provides high efficiency, even at low output power.
The EVAL-SSM3582Z and the SSM3582 or the SSM3582A operate with 93.8% efficiency at 10 W into an 8 Ω load or 90.6% efficiency at 18 W into 4 Ω load from a 12 V supply. The EVAL-SSM3582Z, the SSM3582, and the SSM3582A have a typical noise floor of 38.5 μVrmsA weighted.
This user guide describes how to configure and use the EVAL-SSM3582Z. Read this user guide in conjunction with the SSM3582 and the SSM3582A data sheets, which provide specifications, internal block diagrams, a register map, and application guidance for the amplifiers.
評估板EVAL-SSM3582Z主要特性:
2×, 31.76 W into 4 Ω at16 V, THD + N = 10%
EVALUATION KIT CONTENTS
USBi USB interface board
USB cable
EVAL-SSM3582Z evaluation board

圖4.評估板EVAL-SSM3582Z外形圖(正面)

圖5.評估板EVAL-SSM3582Z外形圖(背面)

圖6.評估板EVAL-SSM3582Z設定圖

圖7.評估板EVAL-SSM3582Z框圖電路

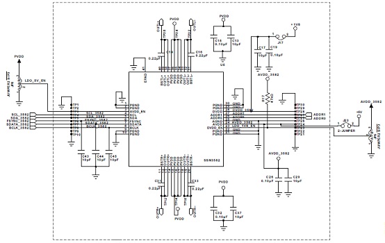
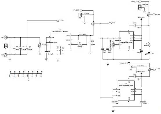
圖8.評估板EVAL-SSM3582Z電路圖:SSM3582部分

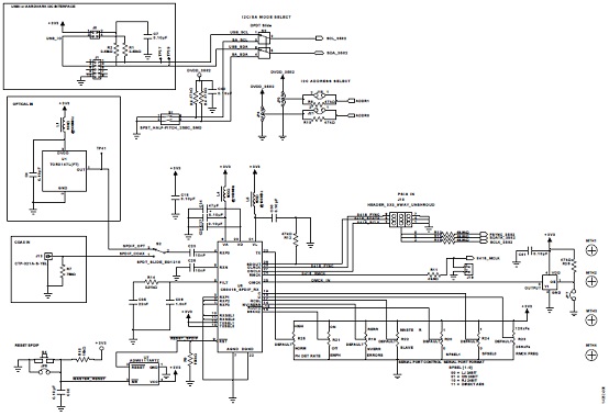
圖9.評估板EVAL-SSM3582Z電路圖:數字輸入部分

圖10.評估板EVAL-SSM3582Z電路圖:電源部分

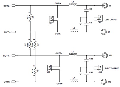
圖11.評估板EVAL-SSM3582Z電路圖:輸出部分
評估板EVAL-SSM3582Z材料清單:



圖12.評估板EVAL-SSM3582Z PCB設計圖:左: 頂層,銅;右:第二層,銅

圖13.評估板EVAL-SSM3582Z PCB設計圖:左:第三層,銅;右:頂層,絲印

圖14.評估板EVAL-SSM3582Z PCB設計圖:左: 底層,銅;右:底層,絲印 |
| |
|
|
|
|
|
| |
| |
| |
 |
您可能對以下產品感興趣 |
 |
|
 |
| 產品型號 |
功能介紹 |
兼容型號 |
封裝形式 |
工作電壓 |
備注 |
| CS3Q01 |
CS3Q01是一款支持I2S輸入的數字音頻處理電路,內部集成了數字信號處理器,可以實現強大的音頻、音效功能。 |
|
TSSOP-24 |
3.0V-3.6V |
8段EQ可調、音量控制、動態范圍控制DRC、DSP音效處理IC |
| CS38S15 |
PO at 10% 15W(4Ω)+2X8W(4Ω)/12V或4X18(4Ω,SE)/16V或2X15W(4Ω)/12V |
|
TSSOP-28 |
6.0V-26V |
具有DSP、DRC、2.1模式的15W立體聲數字音頻功率放大器 |
| CS8676 |
2X20W/12V/4Ω或33W/16V/4Ω |
|
ESOP-16 |
5V-18V |
擴頻功能,低空載電流,40倍增益,免濾波,2X20W&33W(PBTL) D類音頻放大器 |
| CS8630 |
32W/16V/4Ω |
|
ESOP-10 |
5.7V-17V |
固定40倍增益,免濾波,32W單聲道D類音頻放大器 |
| HT318 |
2X40W/18V/4Ω或80W/24V/4Ω |
|
QFN-36 |
5V-26V |
具有AM抑制功能的75W PBTL/40W BTL D類音頻功放 |
| HT560 |
2X40W/18V/4Ω或75W/24V/4Ω |
|
QFN-36 |
4.5V-26V |
30W立體聲D類I2S輸入音頻功放 |
| HT317 |
2X42W/18V/4Ω或75W/24V/4Ω |
|
TSSOP-28 |
5V-26V |
42W立體聲/75W單聲道D類功放IC,,工作電壓5-26V,極限耐壓32V! |
|
| |
|
| |
|
|