| 當前位置:首頁->技術分享 |
|
| 關于TAS5805M立體聲D類放大器 |
|
|
| 文章來源:永阜康科技 更新時間:2022/5/19 10:03:00 |
在線咨詢: |
| |
| TAS5805M立體聲D類放大器是一款高效、立體聲、閉環D類放大器,提供極具性價比的數字輸入解決方案,具有功耗低、聲音增強等特點。該器件的集成音頻處理器和96kHz架構支持高級音頻工藝流程,包括SRC和15BQ/通道。該器件還支持音量控制、音頻混合、3頻段4階DRC、全頻段AGL、THD管理和電平計。
采用TI的專有混合調制方案,TAS5805M消耗非常低的靜態電流(13.5V PVDD時<16.5mA),能夠延長便攜式音頻應用的電池壽命。通過高級EMI抑制技術,設計人員可利用成本較低的鐵氧體磁珠濾波器,節省電路板空間,降低系統成本。
特性
- 支持多輸出配置
- 2×23W,2.0模式(8Ω,21V,THD+N=1%)
- 45W,單聲道模式(4Ω,21V,THD+N=1%)
- 出色的音頻性能
- THD+N≤0.03%(1W,1kHz,PVDD=12V時)
- SNR≥107dB(A加權),噪聲等級<40µVRMS
- 低靜態電流,混合調制
- 16.5mA(PVDD=13.5V,22µH+0.68µF濾波器)
- 靈活的電源配置
- PVDD:4.5V至26.4V
- DVDD和I/O:1.8V或3.3V
- 靈活的音頻I/O
- I2S、LJ、RJ、TDM、3線數字音頻接口(無需MCLK)
- 支持32、44.1、48、88.2、96kHz采樣率
- SDOUT用于音頻監控、子通道或回聲消除
- 增強的音頻處理
- 多頻段高級DRC和AGL
- 2×15 BQ、熱折返、直流阻斷
- 輸入混合器、輸出交叉開關、電平計
- 5 BQ + 1頻帶DRC +THD低音炮通道管理器
- 集成自我保護
- 鄰近引腳對引腳短路,不損壞器件
- 過流誤差 (OCE)
- 過熱警告 (OTW)
- 過熱誤差 (OTE)
- 欠壓/過壓鎖定 (UVLO/OVLO)
- 輕松系統集成
- I2C軟件控制
- 較小的解決方案尺寸
- 與開環器件相比,需要更少無源器件
- 無電感器運行(鐵氧體磁珠),用于大多數PVDD≤14V的情況
應用
- LCD電視、OLED電視
- 無線揚聲器、帶語音助理的智能揚聲器
- 條形音響、有線揚聲器、書架立體聲系統
- 臺式電腦、筆記本電腦
- AV接收器、智能家居和物聯網設備
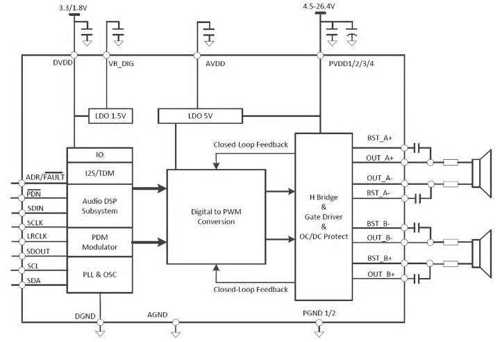
功能框圖

設計套件與評估模塊

|
| |
|
|
|
|
|
| |
| |
| |
 |
您可能對以下產品感興趣 |
 |
|
 |
| 產品型號 |
功能介紹 |
兼容型號 |
封裝形式 |
工作電壓 |
備注 |
| ACM8629 |
2×50W,立體聲模式(4Ω, 24V, THD+N = 1%);100W,1×100W單聲道模式(2Ω, 24V, THD+N = 1%)
|
|
TSSOP-28(散熱片朝上,支持外接散熱器) |
4.5V-26.4V |
50W立體聲/100W單聲道、數字輸入音頻功放芯片,內置DSP多種音頻處理效果 |
| ACM3129 |
2×57W, 1% THD+N, 24V, 4Ω, BTL ;
1×110W, 1% THD+N, 24V, 2Ω, PBTL |
|
TSSOP-28(散熱片在背部,支持外接散熱器) |
4.5V-26.4V |
2×57W/110W高性能D類音頻功放,超低功耗、展頻功能、動態調整升壓Class H |
| ACM3108 |
2×25W, 1% THD+N, 16V, 4Ω, BTL ;
1×50W, 1% THD+N, 16V, 2Ω, PBTL
|
AD52068/TPA3110 |
TSSOP-28 |
4.5V-16V |
動態調整升壓CLASS H功能、25W雙聲道/50W單聲道D類音頻功放IC |
| ACM3128 |
2×32.5W, 1% THD+N, 24V, 8, BTL;
1×65W, 1% THD+N, 24V, 4, PBTL;
2×42W, 1% THD+N, 24V, 6, BTL;
1×84W, 1% THD+N, 24V, 3, PBTL;
2X48W, 1% THD+N, 22V, 4, BTL; |
AD52090/TPA3110 |
TSSOP-28 |
4.5V-26.4V |
動態調整升壓CLASS H功能、40W立體聲/80W單聲道D類音頻功放IC |
| ACM8615 |
21W, 單聲道輸出(8Ω, 20V, THD+N = 1%)
26W, 單聲道輸出 (8Ω, 20V, THD+N = 10%)
|
|
QFN-16 |
4.5V-21V |
內置DSP、I2S數字輸入20W單聲道D類音頻功放IC |
| ACM8625P |
2×33W, 立體聲輸出(6Ω, 21V, THD+N = 1%)
51W, 單聲道輸出 (8Ω, 21V, THD+N = 1%)
|
ACM8622/ACM8625M/ACM8628 |
TSSOP-28 |
4.5V-21V |
I2S數字輸入33W立體聲D類音頻功放芯片、內置DSP小音量低頻增強等算法 |
| ACM8622 |
2×14W, 立體聲輸出(4Ω, 12V, THD+N = 1%);
2×10.5W, 立體聲輸出 (6Ω, 12V, THD+N = 1%) |
TAS5805/ACM8625/ACM8628 |
TSSOP-28 |
4.5V-14.5V |
內置DSP音效處理算法、2×14W立體聲/ 1×23W單聲道、數字輸入D類音頻功放IC |
| ACM8625 |
2×26W, 立體聲輸出(8Ω, 22V, THD+N = 1%)
2×32W, 立體聲輸出 (8Ω, 22V, THD+N = 10%) |
TAS5805/ACM8628/ACM8622 |
TSSOP-28 |
4.5V-26.4V |
I2S數字輸入26W立體聲D類音頻功放芯片、內置DSP小音量低頻增強等算法 |
| ACM8628 |
2×41W、立體聲 (6Ω, 24V, THD+N = 1%) ;
2×33W, 立體聲 (4Ω, 18V, THD+N = 1%) ;
1×82W, 單通道 (3Ω, 24V, THD+N = 1%) |
TAS5805/ACM8625/ACM8622 |
TSSOP-28 |
4.5V-26.4V |
2×41W立體聲 /1×82W單通道數字輸入功放、內置DSP小音量低頻增強等算法 |
| HT81293 |
18W/3.0V-12V(內置升壓至12.3V)/4Ω |
|
ESOP-16 |
3.0V-12V |
3.0V-12V寬泛輸入電壓內置升壓18W單聲道D類音頻功放芯片,涵蓋單節雙節鋰電應用 |
| CS8683 |
130W/30V/4Ω |
|
EQB-32(散熱片在頂部,支持外接散熱器) |
4.7V-45V |
130W單聲道D類功放IC,具有AM干擾抑制功能 |
|
| |
|
| |
|
|