TI公司的TAS5825P是 38W立體聲高效閉環D類音頻放大器,具有先進的Hybrid-Pro算法以提高系統效率而在沒有限幅失真時降低熱量.音頻放大器的電源(PVDD)正常情況下由DC/DC轉換器提供.和固定的PVDD相比,可變的PVDD根據音頻信號波動,大大地改善了效率,降低空載電流和降低了熱量. TAS5825P的功能強大的音頻DSP實現了稱作Hybrid-Pro的專有算法.該算法檢測即將到來的音頻功率需求,經由Hybrid-Pro反饋引腳(HPFB)為以前的DC/DC轉換器提供PWM控制信號.該器件支持多達4ms的延遲緩沖器,為音頻信號作好應對準備,防止音頻限幅失真.和固定電源電壓相比,電池壽命大約增加了50%,電源效率大于90%,90 mΩ RDSon,12V PVDD時的靜態電流小于20mA.支持多種輸出配置: 1 × 53 W, 1.0 模式(4-Ω, 22 V, THD+N=1%);1 × 65 W, 1.0 模式(4-Ω, 22 V, THD+N=10%);2 × 30 W, 2.0 模式(8-Ω, 24 V, THD+N=1%)和2 × 38 W, 2.0 模式(8-Ω, 24 V, THD+N=10%).TAS5825P具有極好的音頻性能: 1 W, 1 kHz, PVDD = 12 V時THD+N ≤ 0.03%, SNR ≥ 110 dB (A加權), ICN ≤ 35 μVRMS. PVDD電壓為4.5V到26.4V,DVDD和I/O為1.8V或3.3V.器件還集成了自保護特性:過流誤差(OCE),逐個周期的限流,超溫警告(OTW),超溫誤差(OTE)以及欠壓,過壓鎖住(UVLO,OVLO).主要用在電池供電揚聲器,機頂盒(STB),條形音箱或低音炮,無線或藍牙揚聲器,熱或效率敏感音頻系統.本文介紹了TAS5825P主要特性,功能框圖和多種應用電路,以及評估模塊TAS5825PEVM主要特性,電路圖,材料清單和PCB設計圖.
TAS5825P is a stereo high-efficiency Closed-Loop audio Class-D audio amplifier with an advanced Hybrid-Pro algorithm to improve system efficiency and reduce heat without clipping distortion.
The supply voltage (PVDD) of an audio amplifier is normally provided by a DC-DC converter. Compared with a fixed PVDD, a variable PVDD that fluctuates based on the audio signal significantly improves efficiency, lowers idle current, and reduces heat.
The powerful audio DSP core of TAS5825P implements a proprietary algorithm called Hybrid-Pro.
The Hybrid-Pro algorithm detects the upcoming audio power demand and provides a PWM control signal for the former DC-DC converter via the Hybrid-Pro feedback pin (HPFB). The TAS5825P supports up to 4 ms of delay buffer to look ahead at the audio signal and prevent audio clipping distortion. In various experiments, the TAS5825P increased the runtime of 1S and 2S batteries by greater than 50% while continuously playing music.
TAS5825P主要特性:
1• High-efficiency Class-D operation with Hybrid-Pro:
– Approximately 50% longer battery life compared to fixed supply voltage solutions
– > 90% Power efficiency, 90 mΩ RDSon
– Low quiescent current, < 20 mA at 12 V PVDD
• Supports multiple output configurations:
– 1 × 53 W, 1.0 Mode (4-Ω, 22 V, THD+N=1%)
– 1 × 65 W, 1.0 Mode (4-Ω, 22 V, THD+N=10%)
– 2 × 30 W, 2.0 Mode (8-Ω, 24 V, THD+N=1%)
– 2 × 38 W, 2.0 Mode (8-Ω, 24 V, THD+N=10%)
• Excellent audio performance:
– THD+N ≤ 0.03% at 1 W, 1 kHz, PVDD = 12 V
– SNR ≥ 110 dB (A-weighted), ICN ≤ 35 μVRMS
• Flexible audio I/O:
– Supports 32, 44.1, 48, 88.2, 96 kHz SR
– Supports I2S, LJ, RJ, TDM format
– Supports 3-wire digital audio interface
• Flexible processing features:
– 3-Band advanced DRC + AGL, 2 × 15 BQs
– PVDD sensing to avoid clipping distortion while voltage rail drops
– Up to 4 ms lookahead delay buffer for Hybrid-Pro algorithm audio signal tracking
– Optional 8 or 16 Hybrid-Pro DC-DC control steps with max 10 ms peak sample hold
• Flexible power supply configurations:
– PVDD: 4.5 V to 26.4 V
– DVDD and I/O: 1.8 V or 3.3 V
• Excellent integrated self-protection:
– Over-current error (OCE)
– Cycle-by-cycle current limit
– Over-temperature warning (OTW)
– Over-temperature error (OTE)
– Under, over-voltage lock-out (UVLO, OVLO)
• Easy System Integration:
– I2C Software Control
– Reduced solution size:
– Small 5 × 5 mm package
– Fewer passives required compared to open-loop Class-D devices
– No bulky electrolytic capacitors or large inductors required for most applications
TAS5825P應用:
• Battery-powered speaker
• Set-top box (STB)
• Soundbar or Subwoofer
• Wireless or Bluetooth speaker
• Heat or efficiency sensitive audio system

圖1. TAS5825P功能框圖

圖2. TAS5825P應用電路圖

圖3. TAS5825P應用電路:2.0(立體聲BTL)系統.

圖4. TAS5825P應用電路:超低音(PBTL)
評估模塊TAS5825PEVM
This users guide describes the operation of the TAS5825P Evaluation Module (EVM). The TAS5825PEVM is a stand-alone EVM. Use the PurePath™ Control Console 3 GUI (PPC3) to initialize and operate this EVM.
The TAS5825PEVM showcases the latest TI digital input Class-D Closed-Loop amplifier. The TAS5825P is a stereo high-efficiency Closed-Loop audio Class-D audio amplifier with an advanced Hybrid-Pro algorithm to improve system efficiency and reduce heat without clipping distortion. The TAS5825PEVM is a stand-alone EVM, which has optional battery power supply input with LM5155 boost or external power supply input bypassing LM5155 boost, USB control via PurePath Control Console 3 (PPC3) and flexible audio input options.

圖5. 評估模塊TAS5825PEVM外形圖
評估模塊TAS5825PEVM主要特性:
• TAS5825P Hybrid-Pro algorithm for audio envelope tracking
• Integrates LM5155 boost to provide customer system design reference
• Default system configuration: 5V battery input, boost to max 16 V power rail based on audio envelope tracking
• Flexible TAS5825P Hybrid-Pro output (HPFB pin) to customer system board capability
• Demonstration, evaluation and development environment via the PurePath Console 3 software (GUI)

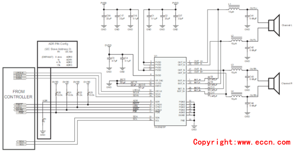
圖6.評估模塊TAS5825PEVM電路圖(1)

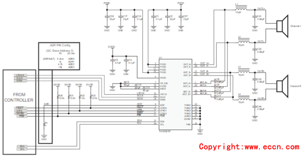
圖7. 評估模塊TAS5825PEVM電路圖(2)

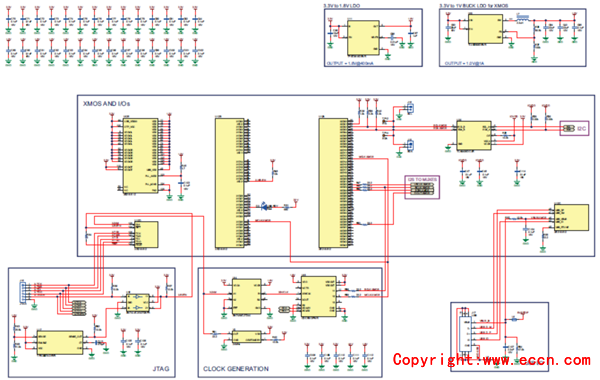
圖8. 評估模塊TAS5825PEVM電路圖(3)

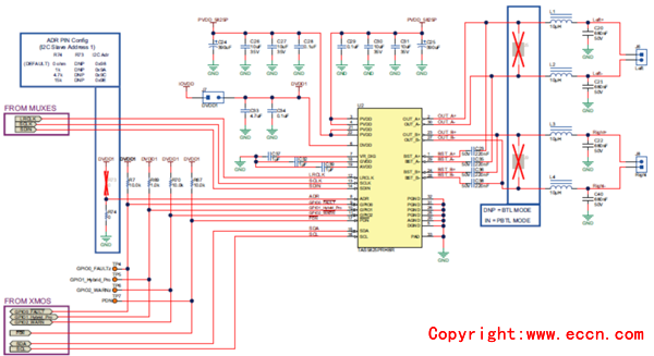
圖9. 評估模塊TAS5825PEVM電路圖(4)
評估模塊TAS5825PEVM材料清單:






圖10. 評估模塊TAS5825PEVM PCB設計圖:頂層綜合

圖11. 評估模塊TAS5825PEVM PCB設計圖:底層綜合 |