|
當前位置:首頁->產品展示->功放IC->ACM8623(I2S輸入15W雙聲道數字功放IC) |
|
|
| 產品名稱: |
ACM8623(I2S輸入15W雙聲道數字功放IC) |
| 封裝形式: |
TSSOP-28 |
| 兼容型號: |
ACM8622/ACM8625M/ACM8625P/ACM8625S/ ACM8685/ACM8628/TAS5805/AD82128 |
| 產品功能: |
2×14W, 立體聲輸出(4Ω, 12V, THD+N = 1%); 2×10.5W, 立體聲輸出 (6Ω, 12V, THD+N = 1%) |
產品規格書下載: |
|
| 在線客服: |
|
|
| 申請樣品: |
申請樣品 |
|
| |
| |
 |
詳細介紹 |
 |
|
 |
| 概述
ACM8623一款高度集成、高效率的雙通道數字輸入音頻功放。供電電壓范圍在4.5V-15.5V,數字接口電源支持 3.3V 或 1.8V。在4歐負載下,輸出功率可以達到2×14W,PBTL 3歐負載模式下單通道可以輸出1×23W@1% THD+N。
ACM8623采用新型 PWM 脈寬調制架構,根據信號大小動態調整脈寬,在保證音頻性能前提下,降低靜態功耗, 提高效率,另外防止 POP 音的產生。
擴頻技術的應用可以大幅降低EMI輻射,在功率和喇叭線長一定的范圍內,可以用磁珠替代電感方案,從而優化成本和電路面積。
ACM8623高度集成了多種音效算法。內部模塊可以獨立控制,左右通道也可以獨立控制。內部集成數字、模擬增益調節,信號混合模塊,10個EQ,可編程特定頻段信號動態增強,1段AGL等多個獨立模塊,可實現多種音效。
特征
靈活的供電電壓配置
- PVDD: 4.5V 到 15.5V
- DVDD 和 I/O 電壓: 3.3V 或 1.8V
輸出功率
- 2×14W, 立體聲 (4Ω, 12V, THD+N =1%)
- 2×10.5W, 立體聲 (6Ω, 12V, THD+N =1%)
出色的音頻性能
- THD+N ≤ 0.02% @1W, 1kHz, PVDD = 12V
- SNR 信噪比 107dB (A 加權)
- 底噪 ≤ 35 𝑢𝑉
- 低靜態電流 17mA @ PVDD=12V, LPD 模式
- 90% 的效率, 6Ω 負載, PVDD=12V
數字音頻接口
- IC 可選 4 個器件通信地址
- IS, Left-justified, Right-justified, TDM 音頻格式
- 3-線數字音頻輸入,無需 MCLK
- 輸入采樣率支持 32kHz, 44.1kHz/48kHz
- SDOUT 數字音頻輸出支持回聲消除
– AEC 或 1.1 / 2.1 sub 通道輸出
先進的音效算法
- 支持數字/模擬增益調整
- 小音量下低音增強算法
- 輸入信號混合到左或右通道
- 左右通道獨立的2×10 個 BQs支持頻響靈活調整
保護機制
- FAULT 狀態通過 I/0 和 I2C 寄存器輸出
- OCP 過流保護
- OTP 過熱保護
- UVLO 過壓和欠壓保護
- 數字音頻時鐘錯誤保護
應用
便攜音箱: 藍牙音箱, 語音助手音箱; 家庭音頻: 電視,聲霸,STB 盒子,家庭影院;筆記本、臺式機等
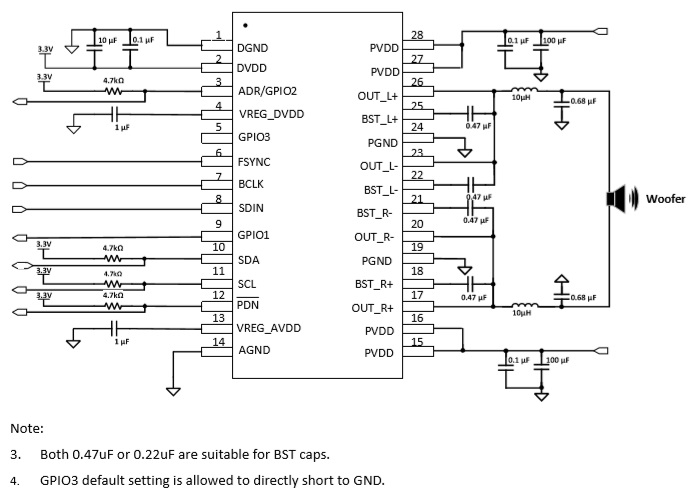
管腳配置和功能說明


立體聲典型應用

單通道典型應用

|
|
| |
|
|
| |
| |
 |
您可能對以下產品感興趣 |
 |
|
 |
| 產品型號 |
功能介紹 |
封裝形式 |
工作電壓 |
備注 |
兼容型號 |
| IU7190 |
3.1W/5V/4Ω(THD+N=10%) |
DFN-10 |
2.5V-5.5V |
I2S數字輸入、3.1W單聲道D類音頻功率放大器 |
|
| ACM8635 |
2×20W+40W, 2.1通道 (2×6Ω+4Ω, 18V, THD+N =10%) |
QFN-40 |
4.5V-21V |
2×21W+1×42W 2.1聲道數字輸入D類音頻功率放大器、具有豐富的DSP音效處理以及ClassH動態升壓功能 |
|
| ACM8687 |
2×41W, 立體聲 (6Ω, 24V, THD+N <1%);
2×33W, 立體聲 (4Ω, 18V, THD+N = 1%) ;
1×82W, 單通道 (3Ω, 24V, THD+N <1%) |
TSSOP-28 |
4.5V-26.4V |
內置虛擬低音/3D環繞音效等算法、41W立體聲/82W單通道數字輸入功放芯片 |
TAS5805/ACM8625/ACM8628/ACM8622/ACM8623 |
| ACM8623 |
2×14W, 立體聲輸出(4Ω, 12V, THD+N = 1%); 2×10.5W, 立體聲輸出 (6Ω, 12V, THD+N = 1%) |
TSSOP-28 |
4.5V-15.5V |
I2S輸入15W雙聲道數字功放IC |
ACM8622/ACM8625M/ACM8625P/ACM8625S/ ACM8685/ACM8628/TAS5805/AD82128 |
| ACM8629 |
2×50W,立體聲模式(4Ω, 24V, THD+N = 1%);100W,1×100W單聲道模式(2Ω, 24V, THD+N = 1%)
|
TSSOP-28(散熱片朝上,支持外接散熱器) |
4.5V-26.4V |
50W立體聲/100W單聲道、數字輸入音頻功放芯片,內置DSP多種音頻處理效果 |
|
| ACM8625S |
2×40W, 立體聲輸出 (6Ω, 24V, THD+N = 1%) /82W,單聲道輸出 (3Ω, 24V, THD+N = 1%) |
TSSOP-28 |
4.5V-26.4V |
2×40W立體聲、數字輸入D類音頻功放芯片、 內置DSP音效處理算法 |
TAS5805/ACM8625/ACM8628/ACM8622 |
| ACM8685 |
2×32W, 立體聲輸出(8Ω, 22V, THD+N = 10%) |
TSSOP-28 |
4.5V-26.54 |
2×26W立體聲/52W單聲道、內置DSP虛擬低音等多種音頻處理效果、數字輸入音頻功放芯片 |
ACM8622/ACM8625/ACM8628 |
| ACM8615 |
21W, 單聲道輸出(8Ω, 20V, THD+N = 1%)
26W, 單聲道輸出 (8Ω, 20V, THD+N = 10%)
|
QFN-16 |
4.5V-21V |
內置DSP、I2S數字輸入20W單聲道D類音頻功放IC |
|
| ACM8625P |
2×33W, 立體聲輸出(6Ω, 21V, THD+N = 1%)
51W, 單聲道輸出 (8Ω, 21V, THD+N = 1%)
|
TSSOP-28 |
4.5V-21V |
I2S數字輸入33W立體聲D類音頻功放芯片、內置DSP小音量低頻增強等算法 |
ACM8622/ACM8625M/ACM8628 |
| ACM8622 |
2×14W, 立體聲輸出(4Ω, 12V, THD+N = 1%);
2×10.5W, 立體聲輸出 (6Ω, 12V, THD+N = 1%) |
TSSOP-28 |
4.5V-14.5V |
內置DSP音效處理算法、2×14W立體聲/ 1×23W單聲道、數字輸入D類音頻功放IC |
TAS5805/ACM8625/ACM8628 |
| ACM8625 |
2×26W, 立體聲輸出(8Ω, 22V, THD+N = 1%)
2×32W, 立體聲輸出 (8Ω, 22V, THD+N = 10%) |
TSSOP-28 |
4.5V-26.4V |
I2S數字輸入26W立體聲D類音頻功放芯片、內置DSP小音量低頻增強等算法 |
TAS5805/ACM8628/ACM8622 |
| ACM8628 |
2×41W、立體聲 (6Ω, 24V, THD+N = 1%) ;
2×33W, 立體聲 (4Ω, 18V, THD+N = 1%) ;
1×82W, 單通道 (3Ω, 24V, THD+N = 1%) |
TSSOP-28 |
4.5V-26.4V |
2×41W立體聲 /1×82W單通道數字輸入功放、內置DSP小音量低頻增強等算法 |
TAS5805/ACM8625/ACM8622 |
| QT1682 |
具備超強抗干擾能力的兩通道觸摸按鍵IC,上電高,觸摸輸出低,環境自動適應,觸摸有效輸出時長限制 |
SOP-8 |
3V-5.5V |
|
|
|
| |
|
| |
|
|
|
| |
業務洽談:
聯系人:張順平
手機:17727550196(微信同號)
QQ:3003262363
EMAIL:zsp2018@szczkjgs.com
聯系人:鄢先輝
手機:17727552449 (微信同號)
QQ:2850985542
EMAIL:yanxianhui@szczkjgs.com
負責人聯絡方式:
手機:13713728695(微信同號)
QQ:3003207580
EMAIL:panbo@szczkjgs.com
聯系人:潘波
|
|
 |
|
 |
|