|
當前位置:首頁->產品展示->功放IC->ACM8624(I2S輸入33W立體聲數字功放IC) |
|
|
| 產品名稱: |
ACM8624(I2S輸入33W立體聲數字功放IC) |
| 封裝形式: |
TSSOP-28 |
| 兼容型號: |
TAS5805/AD82128/ACM8625/ACM8628 |
| 產品功能: |
2×33W, 立體聲輸出(6Ω, 22V, THD+N = 1%);
1×66W, 立體聲輸出 (3Ω, 22V, THD+N = 1%)
|
產品規格書下載: |
|
| 在線客服: |
|
|
| 申請樣品: |
申請樣品 |
|
| |
| |
 |
詳細介紹 |
 |
|
 |
| 概述
ACM8624 一款高度集成、高效率的雙通道數字輸入功放。供電電壓范圍在 4.5V-26.4V,數字電源是 3.3V或者1.8V。在 6 歐負載下,輸出功率可以到 2×33W,PBTL 模式下單通道可以輸出 1×66W @1% THD+N.
ACM8624 采用新型 PWM 脈寬調制架構,根據信號大小動態調整脈寬,在保證音頻性能前提下,降低靜態功耗,提高效率,另外防止 POP 音的產生。擴頻技術的應用可以大幅降低 EMI 輻射,在功率和喇叭線長一定的范圍內,可以用磁珠替代電感方案,從而優化成本和電路面積。
ACM8624 高度集成了多種音效算法。內部模塊可以獨立控制,左右通道也可以獨立控制。內部集成數字、模擬增益調節,信號混合模塊,10 個 EQ ,DRB等多個獨立模塊,可實現多種音效。例如高低音補償等功能可以通過這些模塊實現。
特征
靈活電源配置
- 供電電壓范圍 PVDD: 4.5V to 26.4V
- DVDD 和 I/O: 3.3V 或者 1.8V
輸出功率
- 2×33W, 立體聲輸出(6Ω, 22V, THD+N = 1%)
- 1×66W, 立體聲輸出 (3Ω, 22V, THD+N = 1%)
出色的音頻性能
- THD+N ≤ 0.02% at 1W, 1kHz, PVDD = 12V
- SNR 信噪比 107dB (加權)
- 超低底噪 ≤ 35uV(加權)
- 超低靜態電流:24 mA
- 效率:90% (6Ω load at 12V)
數字音頻接口
- I C可選4個通信地址
- I2S, 左、右邊對齊, TDM 音頻格式
- 3線數字音頻輸入
- 采樣 32kHz, 44.1kHz/48kHz
- SDOUT 數字音頻輸出支持回聲消除 – 支持 1.1 / 2.1 系統回聲消除
集成音效算法
- 數字/模擬增益調整
- 集成DC濾波器
- 左右通道輸入信號路由
- 左右通道獨立具備 2×10 個 BQs
- 小信號低音加強音效調節
- 防爆音的壓縮器前后調節音量,動態維護音頻處理中的數字余量
保護機制
- FAULT 狀態輸出
- OCP 過流保護
- OTP 過熱保護
- UVLO 過壓欠壓保護
- 數字音頻時鐘檢查
應用
便攜式音箱: 藍牙音響、拉桿音響智能音響,智能設備;家庭音頻: 電視、家庭影院;Soundbar, 條形音響,桌面音響;筆記本電腦、臺式機等
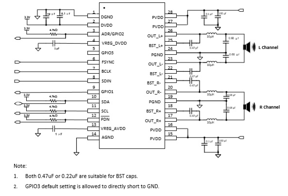
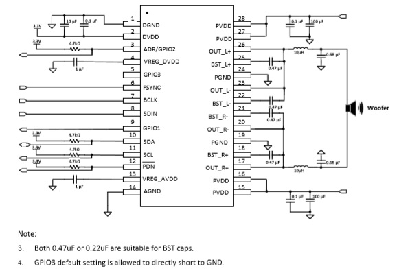
管腳配置和功能說明



立體聲典型應用

單通道典型應用

|
|
| |
|
|
| |
| |
 |
您可能對以下產品感興趣 |
 |
|
 |
| 產品型號 |
功能介紹 |
封裝形式 |
工作電壓 |
備注 |
兼容型號 |
| ACM8852 |
2×145W, BTL輸出(4Ω, 36V, THD+N = 1%) |
UeLQFP-64散熱片在頂部) |
4.5V-38V |
2×145W 雙聲道、數字輸入D音頻功放,內置 DSP 音效處理算法,支持高采樣率以及ClassH動態升壓控制 |
|
| ACM8832 |
2×110W, BTL輸出(4Ω, 32V, THD+N = 1%) |
TQFP-48(散熱片在頂部) |
4.5V-34V |
2×110W 雙聲道、數字輸入 D 類音頻功放 |
|
| ACM8815 |
1×200W,4Ω,36V,THD+N<10% |
QFN-48 |
4.5V-38V |
內置DSP、I2S數字輸入200W大功率單聲道D類功放IC,大功率輸出無需外接散熱器 |
|
| ACM8816 |
1×300W,4Ω,50V,THD+N<1% |
|
4.5V-60V |
內置DSP、I2S數字輸入300W大功率單聲道D類功放IC,國內首款氮化鎵音頻功率放大器,大功率輸出無需外接散熱器 |
|
| ACM8831 |
1×135W, 單聲道輸出 (4Ω, 32V, THD+N = 10%) |
TSSOP-28(散熱片朝上) |
4.5V-34V |
內置DSP、I2S數字輸入135W大功率單聲道D類功放IC |
|
| ACM8636 |
2×30W+40W, 2.1通道 (2×8Ω+4Ω, 24V, THD+N =1%) |
QFP-48 |
4.5V-26.4V |
內置DSP、60W+2X30W大功率I2S輸入2.1聲道數字功放IC |
|
| ACM8805 |
1×500W,4Ω,60V,THD+N<1% |
QFN-40 |
5V-65V |
500W大功率單聲道D類功放IC、國內首款支持氮化鎵GaN音頻驅動器 |
|
| ACM8624 |
2×33W, 立體聲輸出(6Ω, 22V, THD+N = 1%);
1×66W, 立體聲輸出 (3Ω, 22V, THD+N = 1%)
|
TSSOP-28 |
4.5V-26.4V |
33W立體聲/ 66W單聲道、數字輸入D類音頻功放芯片 |
TAS5805/AD82128/ACM8625/ACM8628 |
| ACM8635 |
2×20W+40W, 2.1通道 (2×6Ω+4Ω, 18V, THD+N =10%) |
QFN-40 |
4.5V-21V |
2×21W+1×42W 2.1聲道數字輸入D類音頻功率放大器、具有豐富的DSP音效處理以及ClassH動態升壓功能 |
|
| ACM9634 |
4х25W into 4Ω@14.4V PVDD;
4х45W into 2Ω@14.4V PVDD;
4х75W into 4Ω@25V PVDD |
LQFP-64 |
4.5V-26.4V |
支持負載檢測的4 х 75W、4通道數字輸入車載D類音頻功率放大器 |
FDA801 |
| ACM8687 |
2×41W, 立體聲 (6Ω, 24V, THD+N <1%);
2×33W, 立體聲 (4Ω, 18V, THD+N = 1%) ;
1×82W, 單通道 (3Ω, 24V, THD+N <1%) |
TSSOP-28 |
4.5V-26.4V |
內置虛擬低音/3D環繞音效等算法、41W立體聲/82W單通道數字輸入功放芯片 |
TAS5805/ACM8625/ACM8628/ACM8622/ACM8623 |
| ACM8623 |
2×14W, 立體聲輸出(4Ω, 12V, THD+N = 1%); 2×10.5W, 立體聲輸出 (6Ω, 12V, THD+N = 1%) |
TSSOP-28 |
4.5V-15.5V |
I2S輸入15W雙聲道數字功放IC |
ACM8622/ACM8625M/ACM8625P/ACM8625S/ ACM8685/ACM8628/TAS5805/AD82128 |
| ACM8629 |
2×50W,立體聲模式(4Ω, 24V, THD+N = 1%);100W,1×100W單聲道模式(2Ω, 24V, THD+N = 1%)
|
TSSOP-28(散熱片朝上,支持外接散熱器) |
4.5V-26.4V |
50W立體聲/100W單聲道、數字輸入音頻功放芯片,內置DSP多種音頻處理效果 |
|
| ACM8625S |
2×40W, 立體聲輸出 (6Ω, 24V, THD+N = 1%) /82W,單聲道輸出 (3Ω, 24V, THD+N = 1%) |
TSSOP-28 |
4.5V-26.4V |
2×40W立體聲、數字輸入D類音頻功放芯片、 內置DSP音效處理算法 |
TAS5805/ACM8625/ACM8628/ACM8622 |
| ACM8685 |
2×32W, 立體聲輸出(8Ω, 22V, THD+N = 10%) |
TSSOP-28 |
4.5V-26.54 |
2×26W立體聲/52W單聲道、內置DSP虛擬低音等多種音頻處理效果、數字輸入音頻功放芯片 |
ACM8622/ACM8625/ACM8628 |
| ACM8615 |
21W, 單聲道輸出(8Ω, 20V, THD+N = 1%)
26W, 單聲道輸出 (8Ω, 20V, THD+N = 10%)
|
QFN-16 |
4.5V-21V |
內置DSP、I2S數字輸入20W單聲道D類音頻功放IC |
|
| ACM8625P |
2×33W, 立體聲輸出(6Ω, 21V, THD+N = 1%)
51W, 單聲道輸出 (8Ω, 21V, THD+N = 1%)
|
TSSOP-28 |
4.5V-21V |
I2S數字輸入33W立體聲D類音頻功放芯片、內置DSP小音量低頻增強等算法 |
ACM8622/ACM8625M/ACM8628 |
| ACM8622 |
2×14W, 立體聲輸出(4Ω, 12V, THD+N = 1%);
2×10.5W, 立體聲輸出 (6Ω, 12V, THD+N = 1%) |
TSSOP-28 |
4.5V-14.5V |
內置DSP音效處理算法、2×14W立體聲/ 1×23W單聲道、數字輸入D類音頻功放IC |
TAS5805/ACM8625/ACM8628 |
| ACM8625 |
2×26W, 立體聲輸出(8Ω, 22V, THD+N = 1%)
2×32W, 立體聲輸出 (8Ω, 22V, THD+N = 10%) |
TSSOP-28 |
4.5V-26.4V |
I2S數字輸入26W立體聲D類音頻功放芯片、內置DSP小音量低頻增強等算法 |
TAS5805/ACM8628/ACM8622 |
| ACM8628 |
2×41W、立體聲 (6Ω, 24V, THD+N = 1%) ;
2×33W, 立體聲 (4Ω, 18V, THD+N = 1%) ;
1×82W, 單通道 (3Ω, 24V, THD+N = 1%) |
TSSOP-28 |
4.5V-26.4V |
2×41W立體聲 /1×82W單通道數字輸入功放、內置DSP小音量低頻增強等算法 |
TAS5805/ACM8625/ACM8622 |
|
| |
|
| |
|
|
|
| |
業務洽談:
聯系人:張順平
手機:17727550196(微信同號)
QQ:3003262363
EMAIL:zsp2018@szczkjgs.com
聯系人:鄢先輝
手機:17727552449 (微信同號)
QQ:2850985542
EMAIL:yanxianhui@szczkjgs.com
負責人聯絡方式:
手機:13713728695(微信同號)
QQ:3003207580
EMAIL:panbo@szczkjgs.com
聯系人:潘波
|
|
 |
|
 |
|