| TI公司的TPA31xxD2系列是立體聲高效數字功率放大器,能驅動2歐姆揚聲器高達100W.工作電壓4.5 V – 26 V,效率大于90%,TPA3130D2的高效率可采用單層PCB,不用散熱器提供2x15W輸出功率, TPA3118D2采用雙層PCB, 不用散熱器提供2x30W/8歐姆輸出功率, TPA3116D2采用小型散熱器可提供2x50W/4Ω輸出功率,主要用于小/微型元件的條形音箱,后市場汽車電子,CRT TV和消費類音頻。本文介紹了TPA31xxD2主要特性,方框圖, 應用電路圖以及評估板TPA3116D2EVM主要指標,電路圖,材料清單和PCB布局圖。
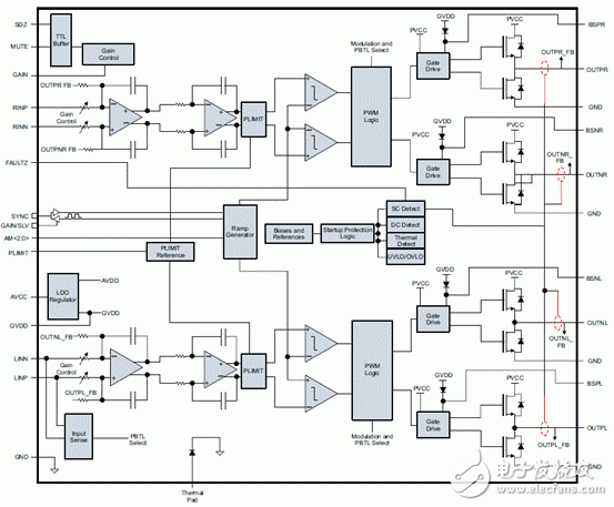
The TPA31xxD2 series are stereo efficient, digital amplifier power stage for driving speakers up to 100W/2Ω in mono. The high efficiency of the TPA3130D2 allows it to do 2x15W without external heat sink on a single layer PCB. The TPA3118D2 can even run 2x30W/8Ω without heat sink on a dual layer PCB. If even higher power is needed the TPA3116D2 does 2x50W/4Ω with a small heat-sink attached to its top side PowerPad. All three devices share the same footprint enabling a single PCB to be used across different power levels.
The TPA31xxD2 advanced oscillator/PLL circuit employs a mulTIple switching frequency opTIon to avoid AM interferences; this is achieved together with an opTIon of Master/Slave option, making it possible to synchronize multiple devices.
The TPA31xxD2 devices are fully protected against faults with short-circuit protection and thermal protection as well as over-voltage, under-voltage and DC protection. Faults are reported back to the processor to prevent devices from being damaged during overload conditions.
TPA31xxD2主要特性:
Supports Multiple Output Configurations
2×50-W into a 4-Ω BTL Load at 21 V (TPA3116D2)
2×30-W into a 8-Ω BTL Load at 24 V (TPA3118D2)
2×15-W into a 8-Ω BTL Load at 15 V (TPA3130D2)
Wide Voltage Range: 4.5 V – 26 V
Efficient Class-D Operation
》90% Power Efficiency Combined with Low Idle Loss
Greatly Reduces Heat Sink Size
Advanced Modulation Schemes
Multiple Switching Frequencies
AM Avoidance
Master/Slave Synchronization
Up to 1.2 MHz Switching Frequency
Feedback Power Stage Architecture with High PSRR Reduces PSU Requirements
Programmable Power Limit
Differential/Single-Ended Inputs
Stereo and Mono Mode with Single Filter Mono Configuration
Single Power Supply Reduces Component Count
Integrated Self-Protection Circuits Including
Over-Voltage, Under-Voltage, Over-Temperature, DC-Detect, and
Short Circuit with Error Reporting
Thermally Enhanced Packages
DAD (32-pin HTSSOP Pad-up)
DAP (32-pin HTSSOP Pad-down)
–40℃ to 85℃ Ambient Temperature Range
TPA31xxD2應用:
Mini-Micro Component, Speaker Bar, Docks
After-Market Automotive
CRT TV
Consumer Audio Applications

圖1. TPA31xxD2系列方框圖

圖2. TPA31xxD2系列簡化應用電路圖

圖3. TPA31xxD2系列應用電路圖
評估板TPA3116D2EVM
The TPA3116D2EVM evaluation module (EVM) demonstrates the integrated circuits TPA3116D2 from Texas Instruments (TI)。
The TPA3116D2 is a 50-W (per channel), efficient, stereo, digital-amplifier power stage for driving two bridge-tied speakers or a single parallel bridge-tied load. The TPA3116D2 can drive a speaker with an impedance as low as 3.2 Ω (4 Ω typical)。
The TPA3116D2 is available in a 32-pin TSSOP.
The TPA3116D2 evaluation module consists of a single 50-W, Class-D, stereo audio power amplifier complete with a small number of external components mounted on a circuit board that can be used to directly drive a speaker with an external analog audio source as the input. The EVM’s default output filter configuration supports LC filter operation, but can easily be configured to support filter-free operation or micro inductors. The EVM can also be configured as a 100-W, Class-D mono audio power amplifier.
Designers can quickly evaluate the sound quality and verify specifications in their application with the TPA3116D2EVM. In addition, the TPA3116D2EVM User’s Guide contains the schematic, layout and bill of materials for a reference design.
評估板TPA3116D2EVM 主要指標:


圖4. 評估板TPA3116D2EVM 外形圖

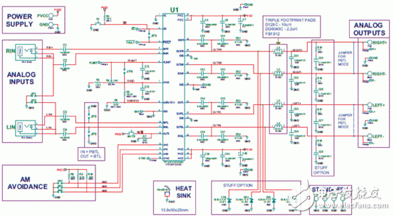
圖5. 評估板TPA3116D2EVM電路圖
評估板TPA3116D2EVM材料清單:


圖6. 評估板TPA3116D2EVM PCB布局圖 |